- Спасибо получено: 0
Светомузыка от Winamp
- MKsoft
-
Less
Больше
05 янв 2007 15:43 #11
от MKsoft
MKsoft ответил в теме Светомузыка от Winamp
дак что конкретно - так себе
Пожалуйста Войти или Регистрация, чтобы присоединиться к беседе.
- tomas111
-
Автор темы
Less
Больше
- Спасибо получено: 0
06 янв 2007 07:43 #12
от tomas111
tomas111 ответил в теме Светомузыка от Winamp
незнаю, я вот думаю себе спаять LCD от телефона что бы можно было инфу вывести .... но это в моих проектах ....
Меня больше интересует можно ли зделать два LPT ???
Меня больше интересует можно ли зделать два LPT ???
Пожалуйста Войти или Регистрация, чтобы присоединиться к беседе.
- MKsoft
-
Less
Больше
- Спасибо получено: 0
07 янв 2007 16:07 #13
от MKsoft
MKsoft ответил в теме Светомузыка от Winamp
Без проблем можно.
Ставишь карточку с LPT. Хоть одну, хоть две. ПО написать можно без проблем. А железки для подключения можно придумать за вечер.
И экран можно подключить в инете статей много. Я уже в сети где то видел.
Ставишь карточку с LPT. Хоть одну, хоть две. ПО написать можно без проблем. А железки для подключения можно придумать за вечер.
И экран можно подключить в инете статей много. Я уже в сети где то видел.
Пожалуйста Войти или Регистрация, чтобы присоединиться к беседе.
- tomas111
-
Автор темы
Less
Больше
- Спасибо получено: 0
09 янв 2007 14:53 #14
от tomas111
tomas111 ответил в теме Светомузыка от Winamp
C икраном я в принцепе разобрался
А вот как с одно LPT зделать два ???
Тобешь что бы можно ыбло использовать два устройства ???
Может ты подскажешь ???
А вот как с одно LPT зделать два ???
Тобешь что бы можно ыбло использовать два устройства ???
Может ты подскажешь ???
Пожалуйста Войти или Регистрация, чтобы присоединиться к беседе.
- MKsoft
-
Less
Больше
- Спасибо получено: 0
09 янв 2007 15:27 #15
от MKsoft
MKsoft ответил в теме Светомузыка от Winamp
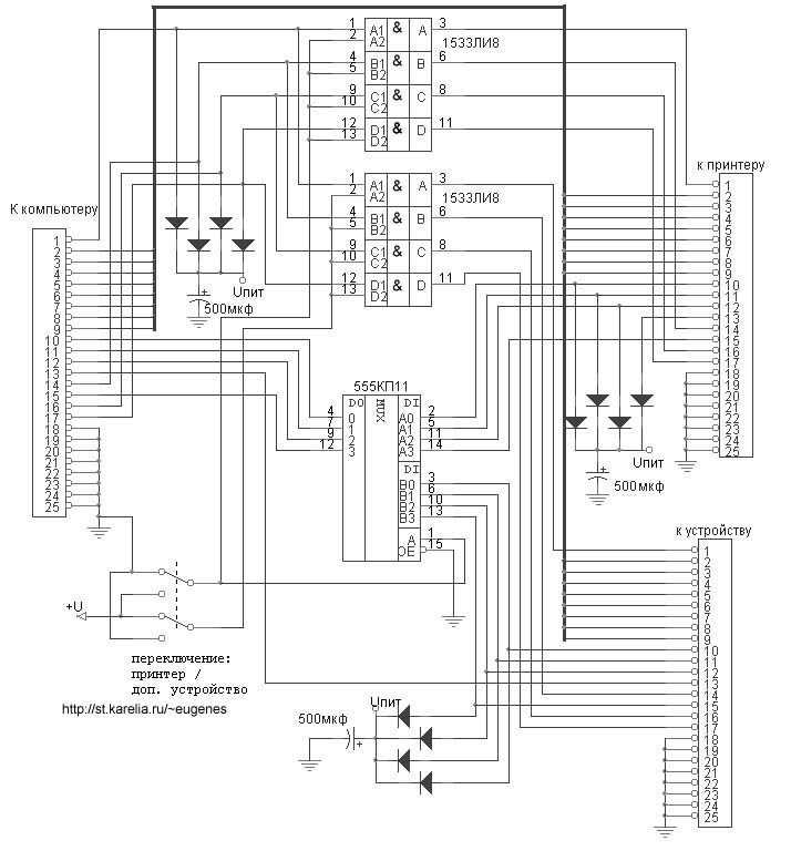
А... теперь понял. Гдето была схемка .... а вот нашел.
Вложения:
Пожалуйста Войти или Регистрация, чтобы присоединиться к беседе.
Модераторы: Doc