- Спасибо получено: 0
Светомузыка от Winamp
- tomas111
-
Автор темы
Less
Больше
19 янв 2007 06:15 #21
от tomas111
tomas111 ответил в теме Светомузыка от Winamp
Да с твоего сайта .. а вот какая прога вызвала такую ошибку я непомню ...
Я помню что там же такая же схема как и к winamp ....
Я помню что там же такая же схема как и к winamp ....
Пожалуйста Войти или Регистрация, чтобы присоединиться к беседе.
- MKsoft
-
Less
Больше
- Спасибо получено: 0
30 янв 2007 02:07 #22
от MKsoft
MKsoft ответил в теме Светомузыка от Winamp
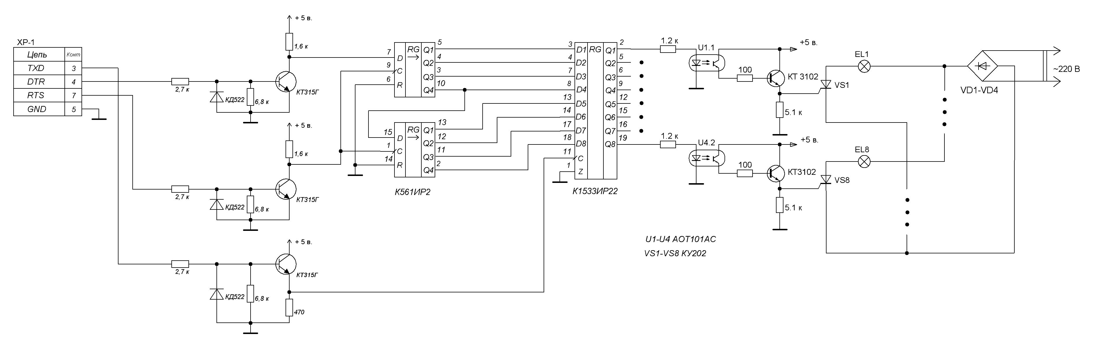
Вложения:
Пожалуйста Войти или Регистрация, чтобы присоединиться к беседе.
- tomas111
-
Автор темы
Less
Больше
- Спасибо получено: 0
30 янв 2007 07:15 #23
от tomas111
tomas111 ответил в теме Светомузыка от Winamp
Наверное такое мне несобрать 
Да в принцепе я шас хочу подключить индикатор звука от мафона "Маяк 240" но покашто неполучается
За схемку спасибо !!!
Может пригодится
Да в принцепе я шас хочу подключить индикатор звука от мафона "Маяк 240" но покашто неполучается
За схемку спасибо !!!
Может пригодится
Пожалуйста Войти или Регистрация, чтобы присоединиться к беседе.
- MKsoft
-
Less
Больше
- Спасибо получено: 0
30 янв 2007 08:07 #24
от MKsoft
MKsoft ответил в теме Светомузыка от Winamp
Я тоже чуть попозже подключу вакуумный индикатор к COM пока просто микросхемок нет.
Это в принципе просто, берешь и динамически выводишь сигналы на порт принцип такой же как в бегущей строке.
Это в принципе просто, берешь и динамически выводишь сигналы на порт принцип такой же как в бегущей строке.
Пожалуйста Войти или Регистрация, чтобы присоединиться к беседе.
- tomas111
-
Автор темы
Less
Больше
- Спасибо получено: 0
30 янв 2007 09:08 #25
от tomas111
tomas111 ответил в теме Светомузыка от Winamp
Поподробнее раскажешь ???
Пожалуйста Войти или Регистрация, чтобы присоединиться к беседе.
Модераторы: Doc