- Сообщений: 18
- Спасибо получено: 0
Экономичный высококачественный усилитель мощности
- Сергей
-
Автор темы
- Не в сети
Less
Больше
24 дек 2013 01:05 #1
от Сергей
Сергей создал тему: Экономичный высококачественный усилитель мощности
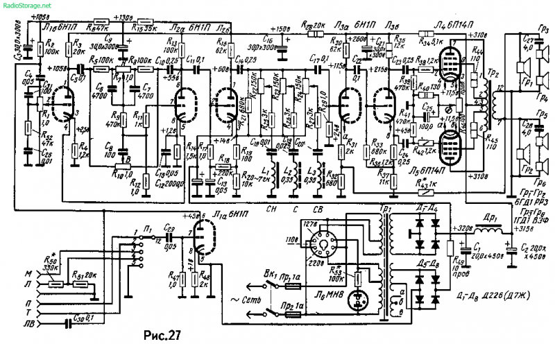
Как будет выглядеть структурная или функциональный этой электрической схемы
Вложения:
Пожалуйста Войти или Регистрация, чтобы присоединиться к беседе.
- Aleksanders
-
- Не в сети
Less
Больше
- Сообщений: 616
- Спасибо получено: 11
24 дек 2013 01:59 #2
от Aleksanders
Aleksanders ответил в теме Экономичный высококачественный усилитель мощности
Блин, какой пипец-то! Неужели в наши дни победы технологичности кто-то всё ещё делает такие схемы?! Когда 1-2 корпуса TDA200x даёт всё то же самое, но на порядок проще, быстрее и дешевле
Пожалуйста Войти или Регистрация, чтобы присоединиться к беседе.
- Rrenovatio
-
- Не в сети
Less
Больше
- Сообщений: 2505
- Спасибо получено: 78
24 дек 2013 18:35 #3
от Rrenovatio
Rrenovatio ответил в теме Экономичный высококачественный усилитель мощности
на порядок проще, быстрее и дешевле но есть одно большое НО!
о высококачественном усилителе мощности здесь не может быть и речи!!!
это оптимальная ширпотребовская штамповка... применяющаяся в основном в автомагнитолах! да нафига там качество... :silly: главное что б грюкало громко! повторюсь ГРЮКАЛО!!! или ХРЮКАЛО!!! :whistle:
о высококачественном усилителе мощности здесь не может быть и речи!!!
это оптимальная ширпотребовская штамповка... применяющаяся в основном в автомагнитолах! да нафига там качество... :silly: главное что б грюкало громко! повторюсь ГРЮКАЛО!!! или ХРЮКАЛО!!! :whistle:
Пожалуйста Войти или Регистрация, чтобы присоединиться к беседе.
- Aleksanders
-
- Не в сети
Less
Больше
- Сообщений: 616
- Спасибо получено: 11
25 дек 2013 06:47 #4
от Aleksanders
Aleksanders ответил в теме Экономичный высококачественный усилитель мощности
Высококачественный усилок предполагает высококачественные колонки и источник звука.
Тут в параллельной ветке облажали цифровой звук, хотя в хороших CD-плеерах и используется специальный метод ЦОС, который позволяет повысить битрейт выходного сигнала вдвое и разрядность до 24 бит.
У меня не было особо хороших колонок никогда, просто в силу того, что по натуре я не меломан. А те, что были, позволяли отличить самодельный усилитель от TDAшного, не в пользу первого, увы...
Тут в параллельной ветке облажали цифровой звук, хотя в хороших CD-плеерах и используется специальный метод ЦОС, который позволяет повысить битрейт выходного сигнала вдвое и разрядность до 24 бит.
У меня не было особо хороших колонок никогда, просто в силу того, что по натуре я не меломан. А те, что были, позволяли отличить самодельный усилитель от TDAшного, не в пользу первого, увы...
Пожалуйста Войти или Регистрация, чтобы присоединиться к беседе.
- Rrenovatio
-
- Не в сети
Less
Больше
- Сообщений: 2505
- Спасибо получено: 78
25 дек 2013 21:33 #5
от Rrenovatio
Rrenovatio ответил в теме Экономичный высококачественный усилитель мощности
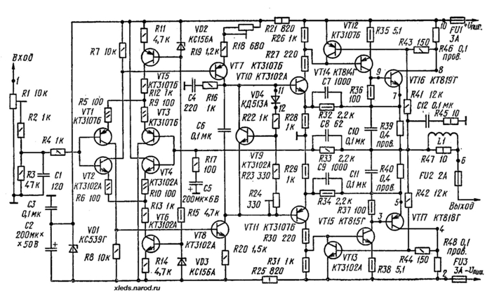
Вложения:
Пожалуйста Войти или Регистрация, чтобы присоединиться к беседе.
Модераторы: Doc