- Сообщений: 328
- Спасибо получено: 0
Вопрос по усилителю TEA2025
- Владимир
-
Автор темы
- Не в сети
Less
Больше
15 апр 2010 06:23 #6
от Владимир
Владимир ответил в теме Вопрос по усилителю TEA2025
Я бы купил другие не такие мощные, но валяются эти, не выбрасывать же, решил приспособить. Попробую как советует Релакс, если будут жрать больше--будем искать
Пожалуйста Войти или Регистрация, чтобы присоединиться к беседе.
- Vlad
-
- Не в сети
Less
Больше
- Сообщений: 392
- Спасибо получено: 0
15 апр 2010 10:47 #7
от Vlad
Vlad ответил в теме Вопрос по усилителю TEA2025
TEA2025
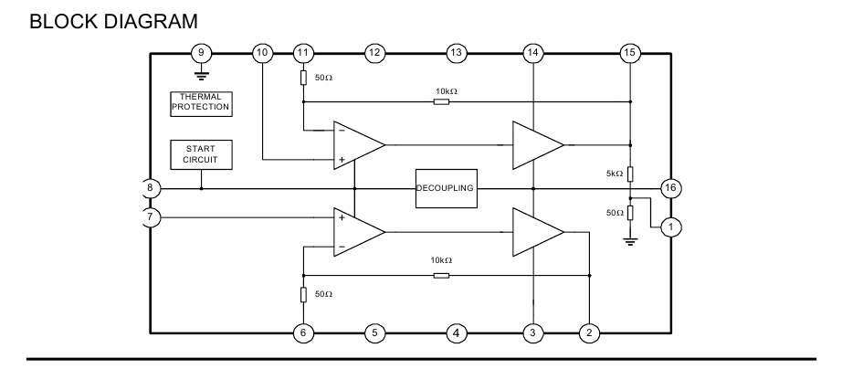
BLOCK DIAGRAM
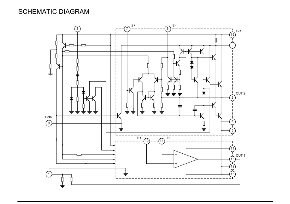
SCHEMATIC DIAGRAM
BLOCK DIAGRAM
SCHEMATIC DIAGRAM
Вложения:
Пожалуйста Войти или Регистрация, чтобы присоединиться к беседе.
- Владимир
-
Автор темы
- Не в сети
Less
Больше
- Сообщений: 328
- Спасибо получено: 0
15 апр 2010 20:16 #8
от Владимир
Владимир ответил в теме Вопрос по усилителю TEA2025
Да у меня тоже такие картинки есть, только я мало что понимаю, в детстве не учился. (иногда жалею об этом, но учится уже не хочу)
Пожалуйста Войти или Регистрация, чтобы присоединиться к беседе.
- Vlad
-
- Не в сети
Less
Больше
- Сообщений: 392
- Спасибо получено: 0
15 апр 2010 21:47 #9
от Vlad
Vlad ответил в теме Вопрос по усилителю TEA2025
Бывает...
У меня тоже семь классов образования
У меня тоже семь классов образования
Пожалуйста Войти или Регистрация, чтобы присоединиться к беседе.
- Владимир
-
Автор темы
- Не в сети
Less
Больше
- Сообщений: 328
- Спасибо получено: 0
16 апр 2010 17:49 #10
от Владимир
Владимир ответил в теме Вопрос по усилителю TEA2025
Как говорил Станиславский "НЕ ВЕРЮ!"
Пожалуйста Войти или Регистрация, чтобы присоединиться к беседе.
Модераторы: Doc