- Сообщений: 299
- Спасибо получено: 4
"Чистая синусоида"
- Юрий
-
- Не в сети
Less
Больше
23 дек 2010 18:27 #111
от Юрий
Юрий ответил в теме "Чистая синусоида"
К176
К561
К564...
Все взаимозаменяемое
14 +
7 -
В крайнем случае к155ла3 только там входы/выходы на других ногах и питание 5 вольт. С другой стороны К155ЛА3 я ставить не пробовал
К561
К564...
Все взаимозаменяемое
14 +
7 -
В крайнем случае к155ла3 только там входы/выходы на других ногах и питание 5 вольт. С другой стороны К155ЛА3 я ставить не пробовал
Пожалуйста Войти или Регистрация, чтобы присоединиться к беседе.
- Rrenovatio
-
Автор темы
- Не в сети
Less
Больше
- Сообщений: 2505
- Спасибо получено: 78
23 дек 2010 19:47 #112
от Rrenovatio
Rrenovatio ответил в теме "Чистая синусоида"
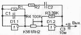
Будет время обязательно соберу...
как тебе эта... ???
тоже мост Вина-Робинсона...
Этот генератор, хотя и выполнен на логических элементах, является чисто аналоговым, и его выходной продукт не содержит каких-то импульсных составляющих или ступенчатого напряжения, нуждающихся в фильтрации.
как тебе эта... ???
тоже мост Вина-Робинсона...
Этот генератор, хотя и выполнен на логических элементах, является чисто аналоговым, и его выходной продукт не содержит каких-то импульсных составляющих или ступенчатого напряжения, нуждающихся в фильтрации.
Вложения:
Пожалуйста Войти или Регистрация, чтобы присоединиться к беседе.
- Юрий
-
- Не в сети
Less
Больше
- Сообщений: 299
- Спасибо получено: 4
24 дек 2010 13:36 #113
от Юрий
Юрий ответил в теме "Чистая синусоида"
Ну что? Схема как схема
Как она мне может быть? Собирать надо и смотреть 
P.S. Магнитофон восстановил. Теперь разобрал ЛПМ и смазываю по инструкции всю механику... Скоро примусь за осциллограф.
P.S. Магнитофон восстановил. Теперь разобрал ЛПМ и смазываю по инструкции всю механику... Скоро примусь за осциллограф.
Пожалуйста Войти или Регистрация, чтобы присоединиться к беседе.
- Rrenovatio
-
Автор темы
- Не в сети
Less
Больше
- Сообщений: 2505
- Спасибо получено: 78
24 дек 2010 17:02 #114
от Rrenovatio
Rrenovatio ответил в теме "Чистая синусоида"
Да... ленто протяжка - дело серьёзное...
Японцы отдыхают... я закончил тестировать преобразователь который собрал в начале темы... при данных номиналах частота 110 Гц и вот что бы снизить частоту до 50 Гц конденсаторы на 0,47 мкФ не годятся... (1.47 мкФ - снизил до 75 Гц...) резисторы по 27 ком изменения вносят совсем незначительные... при снижении частоты ток выше крыши!!!
и синусоида совсем плохая... пила получается!!!...
Вывод: преобразователь плохой! 2 - ка по 5 бальной!...
Японцы отдыхают... я закончил тестировать преобразователь который собрал в начале темы... при данных номиналах частота 110 Гц и вот что бы снизить частоту до 50 Гц конденсаторы на 0,47 мкФ не годятся... (1.47 мкФ - снизил до 75 Гц...) резисторы по 27 ком изменения вносят совсем незначительные... при снижении частоты ток выше крыши!!!
и синусоида совсем плохая... пила получается!!!...
Вывод: преобразователь плохой! 2 - ка по 5 бальной!...
Вложения:
Пожалуйста Войти или Регистрация, чтобы присоединиться к беседе.
- Rrenovatio
-
Автор темы
- Не в сети
Less
Больше
- Сообщений: 2505
- Спасибо получено: 78
24 дек 2010 18:55 #115
от Rrenovatio
Rrenovatio ответил в теме "Чистая синусоида"
P.S. при дальнейшем снижении частоты идёт пробой кт315...
Пожалуйста Войти или Регистрация, чтобы присоединиться к беседе.
Модераторы: Doc