- Сообщений: 516
- Спасибо получено: 11
"Чистая синусоида"
- ИЛЬЯ
-
- Не в сети
Less
Больше
26 март 2012 06:25 #396
от ИЛЬЯ
ИЛЬЯ ответил в теме Re: "Чистая синусоида"
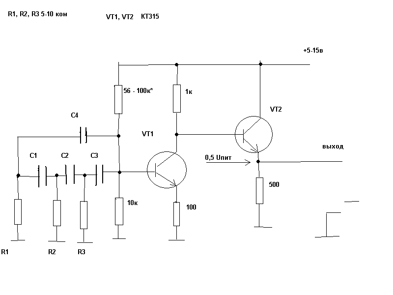
Вложения:
Пожалуйста Войти или Регистрация, чтобы присоединиться к беседе.
- Rrenovatio
-
Автор темы
- Не в сети
Less
Больше
- Сообщений: 2505
- Спасибо получено: 78
26 март 2012 07:20 #397
от Rrenovatio
Rrenovatio ответил в теме "Чистая синусоида"
ИЛЬЯ спасибо за труд!
+ плюсик в лычку
:woohoo:
+ плюсик в лычку
:woohoo:
Пожалуйста Войти или Регистрация, чтобы присоединиться к беседе.
- Alexander Kobets
-
- Не в сети
Less
Больше
- Сообщений: 294
- Спасибо получено: 6
02 июнь 2012 12:21 #398
от Alexander Kobets
Alexander Kobets ответил в теме "Чистая синусоида"
Задачу можно упростить. Дело в том, что трёхфазные двигатели могут нормально работать от меандра. Но естественно - от трёхфазного меандра. Тоесть, просто нужно переделать генератор в трёхфазный.
Ну и насчёт двигателя - нужно его подключить в трёхфазном режиме. У любого двигателя, даже двухфазного, можно найти выводы обмотки для трёхфазного подключения.
Ну и насчёт двигателя - нужно его подключить в трёхфазном режиме. У любого двигателя, даже двухфазного, можно найти выводы обмотки для трёхфазного подключения.
Пожалуйста Войти или Регистрация, чтобы присоединиться к беседе.
Модераторы: Doc