Преоброзователь Видео сигнала
- Doc
-
Автор темы
- Не в сети
Less
Больше
15 мая 2013 14:46 #1
от Doc
Малое знание опасно, впрочем, как и большое....
Doc создал тему: Преоброзователь Видео сигнала
Народ ищу схему преобразователя сигнала RGB в AV
Малое знание опасно, впрочем, как и большое....
Пожалуйста Войти или Регистрация, чтобы присоединиться к беседе.
- Rrenovatio
-
- Не в сети
Less
Больше
- Сообщений: 2505
- Спасибо получено: 78
15 мая 2013 17:46 - 15 мая 2013 17:47 #2
от Rrenovatio
Rrenovatio ответил в теме Преоброзователь Видео сигнала
Последнее редактирование: 15 мая 2013 17:47 пользователем Rrenovatio.
Пожалуйста Войти или Регистрация, чтобы присоединиться к беседе.
- Вячеслав
-
- Не в сети
Less
Больше
- Сообщений: 1245
- Спасибо получено: 31
15 мая 2013 23:14 #3
от Вячеслав
Вячеслав ответил в теме Преоброзователь Видео сигнала
AV, имеется ввиду Видеосигнал или Высокочастотный антенный(кабельное)?
Пожалуйста Войти или Регистрация, чтобы присоединиться к беседе.
- Doc
-
Автор темы
- Не в сети
16 мая 2013 12:43 - 16 мая 2013 12:44 #4
от Doc
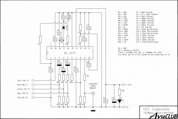
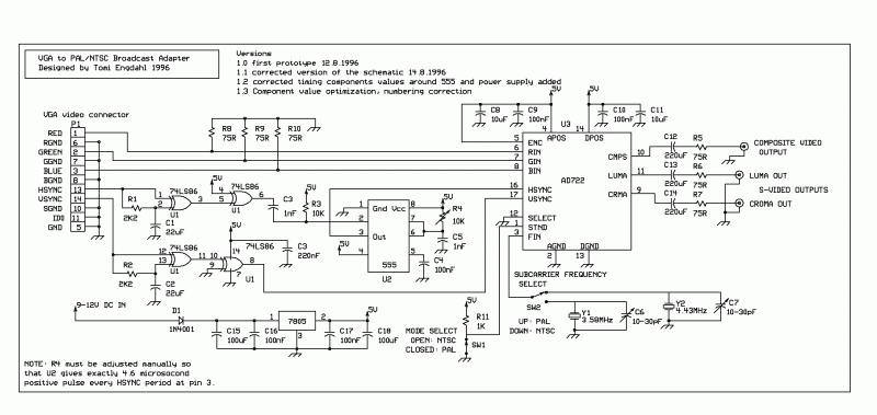
В данной схеме используются разделенный синхросигнал
а у меня синхросмесь sync +rgb
AV, имеется ввиду Видеосигнал
Малое знание опасно, впрочем, как и большое....
Doc ответил в теме Преоброзователь Видео сигнала
Rrenovatio пишет: жаль простеньких схем нет!
В данной схеме используются разделенный синхросигнал
а у меня синхросмесь sync +rgb
AV, имеется ввиду Видеосигнал
Малое знание опасно, впрочем, как и большое....
Последнее редактирование: 16 мая 2013 12:44 пользователем Doc.
Пожалуйста Войти или Регистрация, чтобы присоединиться к беседе.
- Rrenovatio
-
- Не в сети
Less
Больше
- Сообщений: 2505
- Спасибо получено: 78
16 мая 2013 13:09 - 16 мая 2013 13:10 #5
от Rrenovatio
Rrenovatio ответил в теме Преоброзователь Видео сигнала
Вложения:
Последнее редактирование: 16 мая 2013 13:10 пользователем Rrenovatio.
Пожалуйста Войти или Регистрация, чтобы присоединиться к беседе.
Модераторы: Doc