- Сообщений: 328
- Спасибо получено: 0
Заменить кнопку
- Владимир
-
Автор темы
- Не в сети
Less
Больше
20 июль 2014 20:10 - 20 июль 2014 20:11 #1
от Владимир
Владимир создал тему: Заменить кнопку
Вложения:
Последнее редактирование: 20 июль 2014 20:11 пользователем Владимир.
Пожалуйста Войти или Регистрация, чтобы присоединиться к беседе.
- Doc
-
- Не в сети
21 июль 2014 11:39 - 21 июль 2014 11:40 #2
от Doc
Малое знание опасно, впрочем, как и большое....
Doc ответил в теме Заменить кнопку
Шиловски справочник Вам в помощь , страница 226-228
www.radio-portal.ru/component/booklibrar...hemy.html?Itemid=233
все зависит от направления Вашего сигнала либо 516КП1 либо 561КП2. Судя по картинке КП2
все зависит от направления Вашего сигнала либо 516КП1 либо 561КП2. Судя по картинке КП2
Малое знание опасно, впрочем, как и большое....
Последнее редактирование: 21 июль 2014 11:40 пользователем Doc.
Пожалуйста Войти или Регистрация, чтобы присоединиться к беседе.
- Владимир
-
Автор темы
- Не в сети
Less
Больше
- Сообщений: 328
- Спасибо получено: 0
21 июль 2014 19:31 #3
от Владимир
Владимир ответил в теме Заменить кнопку
Благодарю за участие Doc. Книга хорошая, но у меня уже есть такая, только по ней и учусь. Да вот таких микросхем у меня нет, а покупать не хочу. В основном я имею 155, 531, 555(на работе нашел, выкинуть хотели) Посмотрел в этой книге и нашел 155КП11, попробрвал работает, беда только в том что нашел одну, а у меня три кнопки. Есть еще КП7, еще 531 серии какие то. не запомнил. Я думал можно как нибудь построить из и, или, не?
Пожалуйста Войти или Регистрация, чтобы присоединиться к беседе.
- Doc
-
- Не в сети
22 июль 2014 08:03 #4
от Doc
Малое знание опасно, впрочем, как и большое....
Doc ответил в теме Заменить кнопку
а что Вы хотите подать на сами кнопки "контекст в студию"
Малое знание опасно, впрочем, как и большое....
Пожалуйста Войти или Регистрация, чтобы присоединиться к беседе.
- Владимир
-
Автор темы
- Не в сети
Less
Больше
- Сообщений: 328
- Спасибо получено: 0
24 июль 2014 19:13 - 24 июль 2014 19:38 #5
от Владимир
Владимир ответил в теме Заменить кнопку
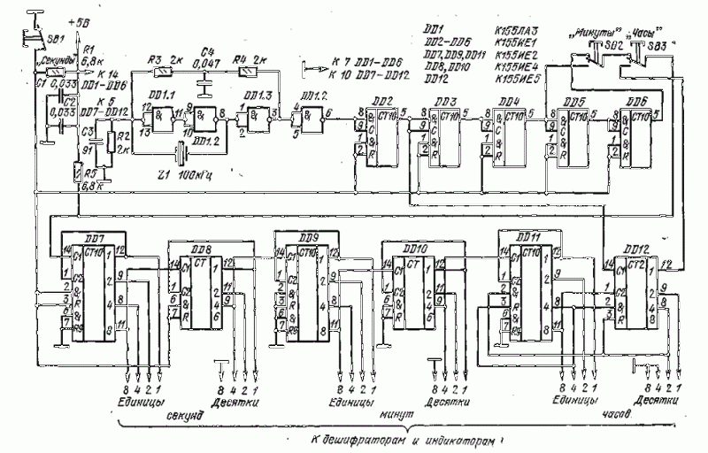
Прошу прощения чего то я зашился и не заглядывал на форум. А все очень просто, Doc, кая я уже говорил я нашел на работе микрухи, и меня приколола цифра, и вот я решил сделать часы на 155 серии. Ну вот в этих часах есть кнопки перевода времени, ну чего я объясняю вот картина.
Мне кажется я разобрался и нашел микросхему 531КП2, там 2 мультиплек... , у меня несколько штучек есть. Ну как пойдет?
Да вспомнил, куда девать не нужные ноги?
Мне кажется я разобрался и нашел микросхему 531КП2, там 2 мультиплек... , у меня несколько штучек есть. Ну как пойдет?
Да вспомнил, куда девать не нужные ноги?
Вложения:
Последнее редактирование: 24 июль 2014 19:38 пользователем Владимир.
Пожалуйста Войти или Регистрация, чтобы присоединиться к беседе.
Модераторы: Doc