- Сообщений: 328
- Спасибо получено: 0
Заменить кнопку
- Владимир
-
Автор темы
- Не в сети
Less
Больше
11 авг 2014 13:26 #26
от Владимир
Владимир ответил в теме Заменить кнопку
Да возможности есть, и силы есть, даже время есть, только лень матушка... Да и хотелось обойтись малой кровью, сделать из того что есть. Ладно буду решать. СпасиБо за советы.
Пожалуйста Войти или Регистрация, чтобы присоединиться к беседе.
- Николай Петрович
-
- Не в сети
Less
Больше
- Сообщений: 1116
- Спасибо получено: 46
11 авг 2014 16:47 - 13 авг 2014 22:02 #27
от Николай Петрович
Николай Петрович ответил в теме Заменить кнопку
Ну вот! Сочиняю Вам схему, а Вы уже - спасибо! Ошибки, в отличии от оригинала, исправил. Что удивительно, ошибки почти в каждой схеме. Думаю, что предлагаемая схема заработает сразу. Сложновато конечно. Вопрос о применении динамической индикации решать Вам.
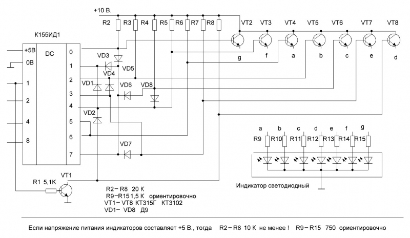
Оригинал: esxema.ru/?p=2425
Схема работает очень просто. Все сегменты индикатора стараются светиться, а дешифратор их тушит в соответствии с входным кодом и посредством диодов закрывает транзисторы VТ2, VТ8. Транзистор VT1 тушит сегмент d с каждой нечетной цифрой.
Оригинал: esxema.ru/?p=2425
Схема работает очень просто. Все сегменты индикатора стараются светиться, а дешифратор их тушит в соответствии с входным кодом и посредством диодов закрывает транзисторы VТ2, VТ8. Транзистор VT1 тушит сегмент d с каждой нечетной цифрой.
Вложения:
Последнее редактирование: 13 авг 2014 22:02 пользователем Николай Петрович.
Пожалуйста Войти или Регистрация, чтобы присоединиться к беседе.
Модераторы: Doc