- Сообщений: 1116
- Спасибо получено: 46
Базовый блок питания "на 3 деталях"
- Николай Петрович
-
- Не в сети
Less
Больше
25 апр 2016 21:10 - 25 апр 2016 21:14 #36
от Николай Петрович
Николай Петрович ответил в теме Базовый блок питания "на 3 деталях"
Рюх, без загадок ни как нельзя?! Ну что за "исправлятель"? Написал бы эл.лит по питанию - чего проще и понятнее? Думаю, что скоро (если так будет продолжаться и далее), ваши сообщения никто читать не будет. Ну, мы же не шарады здесь собрались сочинять и разгадывать. НЕ ИНТЕРЕСНО!Рюх пишет: Ах Александр, увы вам ! Ибо ваш вопрос - не поимеет ответа никогда... (( /а тем более в теме *базовый бп на 3-х деталях ! ))/ Закавыка в том, что Вы САМИ - не знаете, ЧЕГО хотите ! :evil:
:ohmy:
Последнее редактирование: 25 апр 2016 21:14 пользователем Николай Петрович.
Пожалуйста Войти или Регистрация, чтобы присоединиться к беседе.
- Рюх
-
- Не в сети
Less
Больше
- Сообщений: 60
- Спасибо получено: 2
25 апр 2016 21:29 #37
от Рюх
В любом случае - УдаЧ !
Рюх ответил в теме Базовый блок питания "на 3 деталях"
Николай Петрович - я же отом хочу сказать, что у любого бп - БОЛЕЕ трёх деталей !
)) /включатель, индикатор, предохр, кабели, тф, тр, диоды, регуляторы , фильтры, показометры.../
И - Александру нужно СъУЗИТЬ запрос, под конкретныЕ его УСЛОВИЯ.
Придётся по старинке картинку передавать, не проходят никак ((
prntscr.com/awqiql - наиболе рациональный стаб.
prntscr.com/awqlo3 - почти идеальный стаб.
prntscr.com/awqm70 - первоисточник /ссыль на печатку/
prntscr.com/awqqr6 - с мосфитом, вплоть до 20 ампер, /при радиаторе с обдувом, есснн !/
*** А про переделку ибп-пк в ЗУ для авто-акб = пресс инфы в сети ЕСТЬ. )))
)) /включатель, индикатор, предохр, кабели, тф, тр, диоды, регуляторы , фильтры, показометры.../
И - Александру нужно СъУЗИТЬ запрос, под конкретныЕ его УСЛОВИЯ.
Придётся по старинке картинку передавать, не проходят никак ((
prntscr.com/awqiql - наиболе рациональный стаб.
prntscr.com/awqlo3 - почти идеальный стаб.
prntscr.com/awqm70 - первоисточник /ссыль на печатку/
prntscr.com/awqqr6 - с мосфитом, вплоть до 20 ампер, /при радиаторе с обдувом, есснн !/
*** А про переделку ибп-пк в ЗУ для авто-акб = пресс инфы в сети ЕСТЬ. )))
В любом случае - УдаЧ !
Спасибо сказали: Aleksanders
Пожалуйста Войти или Регистрация, чтобы присоединиться к беседе.
- Николай Петрович
-
- Не в сети
Less
Больше
- Сообщений: 1116
- Спасибо получено: 46
25 апр 2016 21:42 - 25 апр 2016 21:57 #38
от Николай Петрович
Николай Петрович ответил в теме Базовый блок питания "на 3 деталях"
Последнее редактирование: 25 апр 2016 21:57 пользователем Николай Петрович.
Спасибо сказали: Aleksanders
Пожалуйста Войти или Регистрация, чтобы присоединиться к беседе.
- Николай Петрович
-
- Не в сети
Less
Больше
- Сообщений: 1116
- Спасибо получено: 46
25 апр 2016 22:03 - 25 апр 2016 22:09 #39
от Николай Петрович
Николай Петрович ответил в теме Базовый блок питания "на 3 деталях"
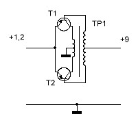
Нарисовал. 
Мне понравился стабилизатор на ОУ. Возможно сделаю.
Мне понравился стабилизатор на ОУ. Возможно сделаю.
Последнее редактирование: 25 апр 2016 22:09 пользователем Николай Петрович.
Пожалуйста Войти или Регистрация, чтобы присоединиться к беседе.
- Rrenovatio
-
- Не в сети
Less
Больше
- Сообщений: 2505
- Спасибо получено: 78
25 апр 2016 22:13 - 25 апр 2016 22:14 #40
от Rrenovatio
Rrenovatio ответил в теме Базовый блок питания "на 3 деталях"
Вложения:
Последнее редактирование: 25 апр 2016 22:14 пользователем Rrenovatio.
Спасибо сказали: Aleksanders
Пожалуйста Войти или Регистрация, чтобы присоединиться к беседе.
Модераторы: Doc