- Сообщений: 2505
- Спасибо получено: 78
Генератор на лампе ГУ10А
- Rrenovatio
-
Автор темы
- Не в сети
Less
Больше
27 янв 2015 19:52 - 27 янв 2015 19:55 #26
от Rrenovatio
Rrenovatio ответил в теме Генератор на лампе ГУ10А
люди такая лампа стоит на промышленной установки плавки метала!
которая плавит сразу сотню, другую, килограмм железа!
до тонны где то...
причём она там в единичном экземпляре...
мне ещё и называли как она называется но забыл.
суть не в этом... КПЕ там нету! а просто стоит блок конденсаторов при помощи его настраиваются на определённую частоту! в их случае 20 мГц. и что бы они туда в тигель не заложили частота стоит
на 20 мГц. как то так...
ну + - думаю конечно есть, но это не столь важно!
главное! заложили, включили, расплавили, выключили, и по формам разлили!
ка то так.
но схему этой установки нигде найти не могу!
приходится импровизировать с интернета!
а нету там такого! всё что угодно но такого нету!
и схема думаю простейшая...
на таких то напряжениях много не наимпровизируешь...
вот так вот!
которая плавит сразу сотню, другую, килограмм железа!
до тонны где то...
причём она там в единичном экземпляре...
мне ещё и называли как она называется но забыл.
суть не в этом... КПЕ там нету! а просто стоит блок конденсаторов при помощи его настраиваются на определённую частоту! в их случае 20 мГц. и что бы они туда в тигель не заложили частота стоит
на 20 мГц. как то так...
ну + - думаю конечно есть, но это не столь важно!
главное! заложили, включили, расплавили, выключили, и по формам разлили!
ка то так.
но схему этой установки нигде найти не могу!
приходится импровизировать с интернета!
а нету там такого! всё что угодно но такого нету!
и схема думаю простейшая...
на таких то напряжениях много не наимпровизируешь...
вот так вот!
Последнее редактирование: 27 янв 2015 19:55 пользователем Rrenovatio.
Пожалуйста Войти или Регистрация, чтобы присоединиться к беседе.
- Rrenovatio
-
Автор темы
- Не в сети
Less
Больше
- Сообщений: 2505
- Спасибо получено: 78
27 янв 2015 20:09 - 27 янв 2015 20:13 #27
от Rrenovatio
Rrenovatio ответил в теме Генератор на лампе ГУ10А
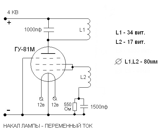
Вложения:
Последнее редактирование: 27 янв 2015 20:13 пользователем Rrenovatio.
Пожалуйста Войти или Регистрация, чтобы присоединиться к беседе.
- ИЛЬЯ
-
- Не в сети
Less
Больше
- Сообщений: 516
- Спасибо получено: 11
27 янв 2015 20:11 - 27 янв 2015 20:14 #28
от ИЛЬЯ
КПЕ можно сделать, хоть с комод размером
Когда хулиганил, КПЕ сам делал, не такие конечно.
ИЛЬЯ ответил в теме Генератор на лампе ГУ10А
ЦАПЧ -автоподстройка частоты с ипользованием цифрового частотомера.Николай Петрович пишет: Вы не найдёте КПЕ на такие токи и напряжение. Да и для чего? Как в кино бриллиантовая рука - мне бы точно такой же, но со стабилизацией.
ЦАПЧ - это цифроаналоговый преобразователь частоты?
КПЕ можно сделать, хоть с комод размером
А электросеть выдержит? интересно -какая там мощность?люди такая лампа стоит на промышленной установки плавки метала!
которая плавит сразу сотню, другую, килограмм железа!
до тонны где то...
причём она там в единичном экземпляре...
Последнее редактирование: 27 янв 2015 20:14 пользователем ИЛЬЯ.
Пожалуйста Войти или Регистрация, чтобы присоединиться к беседе.
- Rrenovatio
-
Автор темы
- Не в сети
Less
Больше
- Сообщений: 2505
- Спасибо получено: 78
27 янв 2015 20:16 #29
от Rrenovatio
Rrenovatio ответил в теме Генератор на лампе ГУ10А
Вложения:
Пожалуйста Войти или Регистрация, чтобы присоединиться к беседе.
- ИЛЬЯ
-
- Не в сети
Less
Больше
- Сообщений: 516
- Спасибо получено: 11
27 янв 2015 20:18 - 27 янв 2015 20:21 #30
от ИЛЬЯ
ИЛЬЯ ответил в теме Генератор на лампе ГУ10А
вот нашел кое что
частота всего 200 КГц
chem21.info/page/12111512401109403503720...7240208059239012213/
частота всего 200 КГц
chem21.info/page/12111512401109403503720...7240208059239012213/
Вложения:
Последнее редактирование: 27 янв 2015 20:21 пользователем ИЛЬЯ.
Спасибо сказали: Rrenovatio
Пожалуйста Войти или Регистрация, чтобы присоединиться к беседе.
Модераторы: Doc