- Сообщений: 1116
- Спасибо получено: 46
Управление реле кнопкой без фиксации
- Николай Петрович
-
- Не в сети
Less
Больше
19 июнь 2015 14:58 #6
от Николай Петрович
Николай Петрович ответил в теме Управление реле кнопкой без фиксации
Да, но он не желает никакой логики. #1
Пожалуйста Войти или Регистрация, чтобы присоединиться к беседе.
- Doc
-
- Не в сети
19 июнь 2015 16:40 #7
от Doc
Малое знание опасно, впрочем, как и большое....
Doc ответил в теме Управление реле кнопкой без фиксации
это очень грустно....
Малое знание опасно, впрочем, как и большое....
Пожалуйста Войти или Регистрация, чтобы присоединиться к беседе.
- Doc
-
- Не в сети
19 июнь 2015 16:49 #8
от Doc
Малое знание опасно, впрочем, как и большое....
Doc ответил в теме Управление реле кнопкой без фиксации
Малое знание опасно, впрочем, как и большое....
Вложения:
Пожалуйста Войти или Регистрация, чтобы присоединиться к беседе.
- Андрей
-
Автор темы
- Не в сети
Less
Больше
- Сообщений: 3
- Спасибо получено: 0
22 июнь 2015 13:18 #9
от Андрей
Андрей ответил в теме Управление реле кнопкой без фиксации
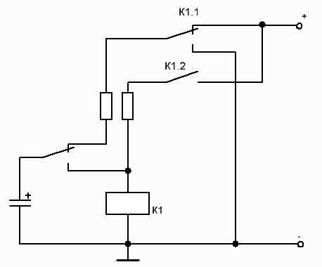
По моей схеме есть какие то замечания. Может что то добавить для надежности?
Пожалуйста Войти или Регистрация, чтобы присоединиться к беседе.
- Светлана
-
- Не в сети
23 июнь 2015 07:08 #10
от Светлана
Если хотите, чтобы жизнь улыбалась вам, подарите ей своё хорошее настроение
Светлана ответил в теме Управление реле кнопкой без фиксации
Простой Т-триггер можно и на реле сделать...Николай Петрович пишет: Да, но он не желает никакой логики. #1
Если хотите, чтобы жизнь улыбалась вам, подарите ей своё хорошее настроение
Вложения:
Пожалуйста Войти или Регистрация, чтобы присоединиться к беседе.
Модераторы: Doc