- Сообщений: 2505
- Спасибо получено: 78
Контроллер питания.
- Rrenovatio
-
Автор темы
- Не в сети
Less
Больше
06 апр 2016 14:41 #16
от Rrenovatio
Rrenovatio ответил в теме Контроллер питания.
а по существу!!!
можно такую хрень сделать или нет?
что б голову не ломать!
можно такую хрень сделать или нет?
что б голову не ломать!
Пожалуйста Войти или Регистрация, чтобы присоединиться к беседе.
- Rrenovatio
-
Автор темы
- Не в сети
Less
Больше
- Сообщений: 2505
- Спасибо получено: 78
06 апр 2016 14:59 - 06 апр 2016 15:45 #17
от Rrenovatio
Rrenovatio ответил в теме Контроллер питания.
а если изучить схему самого Контроллера питания, и понять
через который элемент проходит ток заряда АК,
допустим это какой то транзистор!
и вместо него подставить мощный полевой МОП-транзистор и небольшой «стандартный» набор пассивных элементов...
скажем так:
обеспечивающих безопасную работу ключа.
В ключе можно использовать любые полевые МОП-транзисторы достаточной мощности. Для многих схем требующих мощность порядка 1-2 кВт в непрерывном режиме, вполне надежно работают широко распространенные транзисторы IRFP460. Запас по мощности при разумной цене никогда не помешает. Поэтому можно использовались и более мощные транзисторы – IRFPS37N50A.
а?
и на дорожки платы по которым проходит зарядный ток , напаять проводники для увеличения сечения!!!
через который элемент проходит ток заряда АК,
допустим это какой то транзистор!
и вместо него подставить мощный полевой МОП-транзистор и небольшой «стандартный» набор пассивных элементов...
скажем так:
обеспечивающих безопасную работу ключа.
В ключе можно использовать любые полевые МОП-транзисторы достаточной мощности. Для многих схем требующих мощность порядка 1-2 кВт в непрерывном режиме, вполне надежно работают широко распространенные транзисторы IRFP460. Запас по мощности при разумной цене никогда не помешает. Поэтому можно использовались и более мощные транзисторы – IRFPS37N50A.
а?
и на дорожки платы по которым проходит зарядный ток , напаять проводники для увеличения сечения!!!
Вложения:
Последнее редактирование: 06 апр 2016 15:45 пользователем Rrenovatio.
Пожалуйста Войти или Регистрация, чтобы присоединиться к беседе.
- Rrenovatio
-
Автор темы
- Не в сети
Less
Больше
- Сообщений: 2505
- Спасибо получено: 78
06 апр 2016 20:22 #18
от Rrenovatio
Rrenovatio ответил в теме Контроллер питания.
Петрович, а можете описать работу устройства, а ведь в этом что то есть оригинального,
только не как зарядка, а как балансировочное устройство!!! :woohoo:
то есть если батарея заряжена до 4.2 вольт, я так понимаю стабилитрон открывается и пропускает ток мимо его!!! :ohmy:
куда деть тепло! или это транзистор... как?
и как выставить именно на 4.2 вольта, а не 4 или 4.4?
поподробнее можете.
Спасибо.
только не как зарядка, а как балансировочное устройство!!! :woohoo:
то есть если батарея заряжена до 4.2 вольт, я так понимаю стабилитрон открывается и пропускает ток мимо его!!! :ohmy:
куда деть тепло! или это транзистор... как?
и как выставить именно на 4.2 вольта, а не 4 или 4.4?
поподробнее можете.
Спасибо.
Вложения:
Пожалуйста Войти или Регистрация, чтобы присоединиться к беседе.
- Николай Петрович
-
- Не в сети
Less
Больше
- Сообщений: 1116
- Спасибо получено: 46
06 апр 2016 22:38 - 06 апр 2016 22:41 #19
от Николай Петрович
Николай Петрович ответил в теме Контроллер питания.
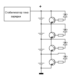
Должен Вам сказать, что это не принципиальная схема. Эта схема объясняет принцип действия. Генератор тока зарядки вырабатывает ток необходимый для зарядки. При этом, напряжение генератора превышает напряжение всех заряженных АКБ. На приведённой схеме нужно, как минимум, соединить эмиттер и базу резистором 1 - 3 кОм каждого транзистора, для их более надёжного закрывания. (Когда напряжение АКБ менее напряжения полной зарядки). Стабилитроны, считаю, лучше применить регулируемые 321е вроде бы. (Если нужно, могу попробовать нарисовать рабочую схему).
Наладка будет сводиться к тому, что подаёте напряжение с генератора (ток) без АКБ подстроечными резисторами устанавливаете напряжение КЭ каждого транзистора 4,2 В.
Вы правы. Когда напряжение, на АКБ, достигнет 4,2 В. транзистор откроется и ток зарядки будет идти через него. При этом на АКБ будет поддерживаться 4,2 В. АКБ может быть подключёнными к зарядке сколько угодно долго - лишней зарядки они не получат.
На счёт мощности транзисторов. Т.к. говорите, что все АКБ имеют ёмкость 3900, то ток зарядки будет 390 мА. При напряжении 4,2 В. мощность рассеяния транзистора будет порядка 1,6 - 1,7 Вт. Это КТ815 - 817 с радиаторами, или КТ819 - КТ827 в металло стеклянном корпусе, без радиатора. Но лучше то же с радиаторами. Хорошие тр- ры КТ972.
Наладка будет сводиться к тому, что подаёте напряжение с генератора (ток) без АКБ подстроечными резисторами устанавливаете напряжение КЭ каждого транзистора 4,2 В.
Вы правы. Когда напряжение, на АКБ, достигнет 4,2 В. транзистор откроется и ток зарядки будет идти через него. При этом на АКБ будет поддерживаться 4,2 В. АКБ может быть подключёнными к зарядке сколько угодно долго - лишней зарядки они не получат.
На счёт мощности транзисторов. Т.к. говорите, что все АКБ имеют ёмкость 3900, то ток зарядки будет 390 мА. При напряжении 4,2 В. мощность рассеяния транзистора будет порядка 1,6 - 1,7 Вт. Это КТ815 - 817 с радиаторами, или КТ819 - КТ827 в металло стеклянном корпусе, без радиатора. Но лучше то же с радиаторами. Хорошие тр- ры КТ972.
Последнее редактирование: 06 апр 2016 22:41 пользователем Николай Петрович.
Пожалуйста Войти или Регистрация, чтобы присоединиться к беседе.
- Rrenovatio
-
Автор темы
- Не в сети
Less
Больше
- Сообщений: 2505
- Спасибо получено: 78
06 апр 2016 23:08 #20
от Rrenovatio
Rrenovatio ответил в теме Контроллер питания.
Петрович, а можно схемку состряпать, вроде толково всё!
только в номиналах если можно!!!

Транзисторы думаю должны быть не только на радиаторах,
а ещё и под кулером, потому как тепло куда то девать нужно.
только в номиналах если можно!!!
Транзисторы думаю должны быть не только на радиаторах,
а ещё и под кулером, потому как тепло куда то девать нужно.
Пожалуйста Войти или Регистрация, чтобы присоединиться к беседе.
Модераторы: Doc