- Сообщений: 60
- Спасибо получено: 2
СВЧ
- Рюх
-
- Не в сети
Less
Больше
03 мая 2016 18:48 #21
от Рюх
В любом случае - УдаЧ !
Рюх ответил в теме СВЧ
prnt.sc/aztjvy
доп. конденсатором получился параллельный контур. /скорее всего с частотой ВЫШЕ 50 Гц/
в момент зажигания дуги в разряднике - доп конденсатор разряжается на дугу, а ток ВВ обмотки- возрастает.
в момент потухания дуги разрядника - самоиндукция ВВ обмотки вызывает на диоде всплеск напруги
/ток не может уменьшиться мгновенно/ и это повышенное напряжение - повышает мощь СВЧ излучения,
пока разрядник снова не зажжётся...
Где-то таг ))
Но это справедливо, если доп конденсатор обладает повышенной внутренней (собственной) индуктивностью /хреново фильтрует ВЧ, выще 1 кГц /
доп. конденсатором получился параллельный контур. /скорее всего с частотой ВЫШЕ 50 Гц/
в момент зажигания дуги в разряднике - доп конденсатор разряжается на дугу, а ток ВВ обмотки- возрастает.
в момент потухания дуги разрядника - самоиндукция ВВ обмотки вызывает на диоде всплеск напруги
/ток не может уменьшиться мгновенно/ и это повышенное напряжение - повышает мощь СВЧ излучения,
пока разрядник снова не зажжётся...
Где-то таг ))
Но это справедливо, если доп конденсатор обладает повышенной внутренней (собственной) индуктивностью /хреново фильтрует ВЧ, выще 1 кГц /
В любом случае - УдаЧ !
Пожалуйста Войти или Регистрация, чтобы присоединиться к беседе.
- зте
-
- Не в сети
Less
Больше
- Сообщений: 169
- Спасибо получено: 5
04 мая 2016 02:58 #22
от зте
зте ответил в теме СВЧ
Блин, а я магнетроны уже ни фига не помню
Вроде ж там вакуум быть должен, как вы их разбираете и собираете?
Пожалуйста Войти или Регистрация, чтобы присоединиться к беседе.
- Николай Петрович
-
- Не в сети
Less
Больше
- Сообщений: 1116
- Спасибо получено: 46
05 мая 2016 20:13 - 05 мая 2016 23:29 #23
от Николай Петрович
Николай Петрович ответил в теме СВЧ
Не даёт мне покоя сообщение Рреноватио, что чем больше дополнительная ёмкость С2, тем сильнее рвёт картошку на тряпочки. Ну и попытался представить работу магнетрона.
Схема удвоения напряжения L3 работает как на Рис 1 и Рис2. На Рис 2 видно, что напряжения предварительно заряженного конденсатора С1 складываются с напряжением L3.
Здесь нет ничего особенного.
С дополнительным конденсатором С2 работа магнетрона несколько изменяктся. Рис 3 и Рис 4.
Зарядка С1 не изменилась, Рис3, но вот далее всё по другому. Так как
ёмкость С2 в 2500 раз больше чем С1,то и заряжаться он будет примерно 50 сек. Т.е. всё работает в штатном режиме. Ток потребления, от сети, тот же только всё это
время С1 накачивает С2 энергией (напряжением), которое постепенно возрастает.
На конец, приходит напряжение, которое не достаточное для пробития магнетрона, но достаточное для пробития разрядника. Рис5.
Мы знаем, что напряжение появляется, практически, мгновенно, а вот ток, за счёт индуктивности, запаздывает. Т.к. С2 то же иеет какую то индуктивность, не гоаоря уж
о L3, (индуктивность С1 много менее),то ток пробоя замкнётся через ёмкость монтажа и ёмкость трансформатора - См. Очень быстро появится и ток пробоя (индуктивнсть
цепи минимальная) Рис 5. Т.к. напряжения и ток приложены в направлениях указанных стрелками, то удвоенное напряжение С1 и L3 Рис5, ещё раз удвоятся на корогкий
промежуток времени, пока идёт ток разрядника. . При этом напряжение на С2 остаётся, пока, не изменным. Но оно сложится с учетверённым напряжением С1,L3. Рис 6.
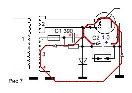
Далее происходит - дуга разрядника тухнет, пробой магнетрона, т.к. ёмкость См не велика. Пробой магнетрона, при достаточном для этого напряжении, произойдет априоре
т.к. сопротивление разрядника, пробою, более. Рис 7. Таким образом к магнетрону приложено напряжение от 4 до 6 раз превышающее напряжение L3 и ёмкость С2 в 2560 раз
более номинальной.
Считаю, что по этим причинам магнетрон и рвёт картошку как Тузик грелку. Не знаю, может где и не прав, но что то подсказывает, что близок к истине.
Схема удвоения напряжения L3 работает как на Рис 1 и Рис2. На Рис 2 видно, что напряжения предварительно заряженного конденсатора С1 складываются с напряжением L3.
Здесь нет ничего особенного.
С дополнительным конденсатором С2 работа магнетрона несколько изменяктся. Рис 3 и Рис 4.
Зарядка С1 не изменилась, Рис3, но вот далее всё по другому. Так как
ёмкость С2 в 2500 раз больше чем С1,то и заряжаться он будет примерно 50 сек. Т.е. всё работает в штатном режиме. Ток потребления, от сети, тот же только всё это
время С1 накачивает С2 энергией (напряжением), которое постепенно возрастает.
На конец, приходит напряжение, которое не достаточное для пробития магнетрона, но достаточное для пробития разрядника. Рис5.
Мы знаем, что напряжение появляется, практически, мгновенно, а вот ток, за счёт индуктивности, запаздывает. Т.к. С2 то же иеет какую то индуктивность, не гоаоря уж
о L3, (индуктивность С1 много менее),то ток пробоя замкнётся через ёмкость монтажа и ёмкость трансформатора - См. Очень быстро появится и ток пробоя (индуктивнсть
цепи минимальная) Рис 5. Т.к. напряжения и ток приложены в направлениях указанных стрелками, то удвоенное напряжение С1 и L3 Рис5, ещё раз удвоятся на корогкий
промежуток времени, пока идёт ток разрядника. . При этом напряжение на С2 остаётся, пока, не изменным. Но оно сложится с учетверённым напряжением С1,L3. Рис 6.
Далее происходит - дуга разрядника тухнет, пробой магнетрона, т.к. ёмкость См не велика. Пробой магнетрона, при достаточном для этого напряжении, произойдет априоре
т.к. сопротивление разрядника, пробою, более. Рис 7. Таким образом к магнетрону приложено напряжение от 4 до 6 раз превышающее напряжение L3 и ёмкость С2 в 2560 раз
более номинальной.
Считаю, что по этим причинам магнетрон и рвёт картошку как Тузик грелку. Не знаю, может где и не прав, но что то подсказывает, что близок к истине.
Вложения:
Последнее редактирование: 05 мая 2016 23:29 пользователем Николай Петрович.
Пожалуйста Войти или Регистрация, чтобы присоединиться к беседе.
- Рюх
-
- Не в сети
Less
Больше
- Сообщений: 60
- Спасибо получено: 2
06 мая 2016 19:32 #24
от Рюх
В любом случае - УдаЧ !
Рюх ответил в теме СВЧ
Петрович, я не помню точно, но :
1) номинал С1 ~ 2 мкФ х 5 кВольт / или около того /
2) конденсаторы на 390 пик х 15 кВ = проходные, 2 шт, по ним проходит ток накала.
Это противопомеховый фильтр, чтобы ч/з тф в розетку помехи не шли...
В моей старой советской микроволновке после этих проходняков,
перед нитью накала магнетрона , было ещё два дросселя на ферритовых стержнях.
(наподобие как в ИБП ПК, в цепи +5 вольт/20 ампер.
3) Магнетрон - не имеет порога срабатывания.
(т.е. *пробиться* он не может... )
З.Ы. Думаю, что у Рено какой-то резонансный эффект случился... /Вполне возможен т.н. *феррорезонанс*... /
Веди сам-по-себе МОТ же не простой/обычный трансформатор : в нём магнитное шунтирование имеется... /вот только как оно работает и зачем оно вААще ??? О_о/
1) номинал С1 ~ 2 мкФ х 5 кВольт / или около того /
2) конденсаторы на 390 пик х 15 кВ = проходные, 2 шт, по ним проходит ток накала.
Это противопомеховый фильтр, чтобы ч/з тф в розетку помехи не шли...
В моей старой советской микроволновке после этих проходняков,
перед нитью накала магнетрона , было ещё два дросселя на ферритовых стержнях.
(наподобие как в ИБП ПК, в цепи +5 вольт/20 ампер.
3) Магнетрон - не имеет порога срабатывания.
(т.е. *пробиться* он не может... )
З.Ы. Думаю, что у Рено какой-то резонансный эффект случился... /Вполне возможен т.н. *феррорезонанс*... /
Веди сам-по-себе МОТ же не простой/обычный трансформатор : в нём магнитное шунтирование имеется... /вот только как оно работает и зачем оно вААще ??? О_о/
В любом случае - УдаЧ !
Пожалуйста Войти или Регистрация, чтобы присоединиться к беседе.
- Николай Петрович
-
- Не в сети
Less
Больше
- Сообщений: 1116
- Спасибо получено: 46
06 мая 2016 21:37 - 06 мая 2016 22:29 #25
от Николай Петрович
Николай Петрович ответил в теме СВЧ
Тогда моя теория работы магнетрона не выдерживает критики. Хотя он очень похож, в каком то смысле, на разрядник или на вакуумный диод стабилизирущий напряжение.. Не смею возражать - опыт работы с лампами, у меня, минимальный.
Последнее редактирование: 06 мая 2016 22:29 пользователем Николай Петрович.
Пожалуйста Войти или Регистрация, чтобы присоединиться к беседе.
Модераторы: Doc