- Сообщений: 127
- Спасибо получено: 0
как правильно измерить напр-я на двухполярном БП
- serый
-
Автор темы
- Не в сети
Less
Больше
02 июль 2015 22:19 #21
от serый
serый ответил в теме как правильно измерить напр-я на двухполярном БП
вроди бы - посмотрел , с буквой Д, но есть большие сомнения,!!!!так как элементы неновые и малость названия затерты, Сегодня ездил спрашивал с буквой Д пока нет сказали подождать до 10, Что получилось отпишусь !!!
Пожалуйста Войти или Регистрация, чтобы присоединиться к беседе.
- Doc
-
- Не в сети
02 июль 2015 22:22 #22
от Doc
Малое знание опасно, впрочем, как и большое....
Doc ответил в теме как правильно измерить напр-я на двухполярном БП
так не принципиально чтобы были 815
найдите любые другие на 12в
найдите любые другие на 12в
Малое знание опасно, впрочем, как и большое....
Пожалуйста Войти или Регистрация, чтобы присоединиться к беседе.
- Николай Петрович
-
- Не в сети
Less
Больше
- Сообщений: 1116
- Спасибо получено: 46
04 июль 2015 00:35 #23
от Николай Петрович
Николай Петрович ответил в теме как правильно измерить напр-я на двухполярном БП
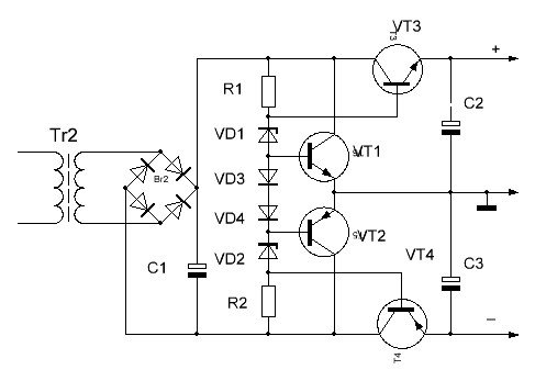
Doc, а так не лучше? Ну добавился транзистор, за то никаких проблем с 5ю процентами. Да и 5% это вряд ли спасёт схему. Ток, в импульсе, легко может достигать, у применяемых Вами транзисторов, 20 А. 5% это 1 А.. 1 А. х 620 Ом = полному краху схемы. Ладно, это лирика. Может где и видел, в нете, предлагаемую схему, но кажется я её только что придумал. Толком ещё не обдумал. Может у Вас есть какие замечания?
Вложения:
Пожалуйста Войти или Регистрация, чтобы присоединиться к беседе.
- Doc
-
- Не в сети
04 июль 2015 08:46 - 04 июль 2015 08:48 #24
от Doc
Малое знание опасно, впрочем, как и большое....
Doc ответил в теме как правильно измерить напр-я на двухполярном БП
данная схема ничем от предыдущей не отличается
она также не защищает от перекоса
этим "болеют" абсолютно все ип с искусственной средней точкой!
она также не защищает от перекоса
этим "болеют" абсолютно все ип с искусственной средней точкой!
Малое знание опасно, впрочем, как и большое....
Последнее редактирование: 04 июль 2015 08:48 пользователем Doc.
Пожалуйста Войти или Регистрация, чтобы присоединиться к беседе.
- Николай Петрович
-
- Не в сети
Less
Больше
- Сообщений: 1116
- Спасибо получено: 46
04 июль 2015 16:27 - 05 июль 2015 07:14 #25
от Николай Петрович
Николай Петрович ответил в теме как правильно измерить напр-я на двухполярном БП
Да не может здесь быть перекоса более чем на 0,1 - 0,2 В.! Ну посмотрите, Предположим, перекос на средней точки в сторону плюса, тогда напряжение ЭБ Т2 увеличивается, транзистор открывается (а он и так был на грани открытия за счёт диодов) и гасит лишнее напряжение (перекос). Если перекос в сторону минуса, аналогично, работает Т1. Вот нужно подумать, что если сделать тракнзисторам Т1, Т2 небольшое смещение на базах, чтобы в нормальном режиме, по ним, по транзисторам, протекал ток несколько миллиампер. Думаю, что тогда перекоса не будет даже на 0,1 В. Пока не могу придумать, как сделать смещение, что бы оно хорошо работало.
Последнее редактирование: 05 июль 2015 07:14 пользователем Николай Петрович.
Пожалуйста Войти или Регистрация, чтобы присоединиться к беседе.
Модераторы: Doc