- Сообщений: 38
- Спасибо получено: 0
Как сделать усилитель напряжения из операционного
- Max
-
Автор темы
- Не в сети
Less
Больше
20 фев 2012 14:45 #61
от Max
Max ответил в теме Re: Как сделать усилитель напряжения из операционного
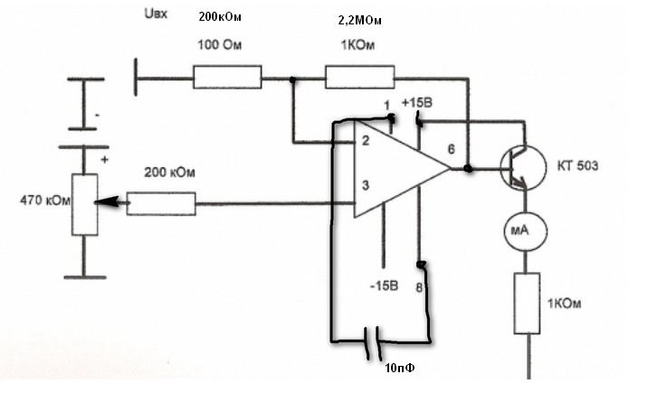
А можете изобразить на схеме подключение этого самого резистора? (если можно)
Пожалуйста Войти или Регистрация, чтобы присоединиться к беседе.
- Вячеслав
-
- Не в сети
Less
Больше
- Сообщений: 1245
- Спасибо получено: 31
20 фев 2012 19:15 #62
от Вячеслав
Вячеслав ответил в теме Re: Как сделать усилитель напряжения из операционного
Вложения:
Пожалуйста Войти или Регистрация, чтобы присоединиться к беседе.
- Alexander Kobets
-
- Не в сети
Less
Больше
- Сообщений: 294
- Спасибо получено: 6
23 фев 2012 00:34 #63
от Alexander Kobets
Alexander Kobets ответил в теме Как сделать усилитель напряжения из операционного
Подключение переменника именно такое как нарисовал Вячеслав. Просто у тебя он был подключен после стакана с измеряемой жидкостью, а надо до него. А после стакана достаточно одного постоянного резистора 470КОм подключенного на массу. Но оптимального значния я не знаю - надо пробовать.
Пожалуйста Войти или Регистрация, чтобы присоединиться к беседе.
- Вячеслав
-
- Не в сети
Less
Больше
- Сообщений: 1245
- Спасибо получено: 31
23 фев 2012 07:56 #64
от Вячеслав
Вячеслав ответил в теме Re: Как сделать усилитель напряжения из операционного
Чёт я тебя не понял, как до стакана? Сопротивление в стакан?
Пусть сначала отпишется по проделанной работе.
Пусть сначала отпишется по проделанной работе.
Пожалуйста Войти или Регистрация, чтобы присоединиться к беседе.
- Alexander Kobets
-
- Не в сети
Less
Больше
- Сообщений: 294
- Спасибо получено: 6
23 фев 2012 11:56 #65
от Alexander Kobets
Alexander Kobets ответил в теме Как сделать усилитель напряжения из операционного
Да, именно. Регулировать надо образцовое напряжение.
Пожалуйста Войти или Регистрация, чтобы присоединиться к беседе.
Модераторы: Doc