- Сообщений: 1245
- Спасибо получено: 31
Как сделать усилитель напряжения из операционного
- Вячеслав
-
- Не в сети
Less
Больше
25 фев 2012 06:47 #76
от Вячеслав
Вячеслав ответил в теме Как сделать усилитель напряжения из операционного
Ура! Теперь я понял что электрод без без батарейки. Пока не делай то что я писал.
Нам надо определить какие токи мы будем мерить и от какого напряжения? Для этого нам надо сделать опорное напряжение питания, микросхема для питания датчика не подходит так как входные токи микросхемы очень малы. (хотя есть идея, если не прав пусть поправят, может датчик подключить между 2-ой и 3-ей ножкой микросхемы, ну это уже другой способ измерения?).
Извини надо бежать, приду дальше опишу...
Нам надо определить какие токи мы будем мерить и от какого напряжения? Для этого нам надо сделать опорное напряжение питания, микросхема для питания датчика не подходит так как входные токи микросхемы очень малы. (хотя есть идея, если не прав пусть поправят, может датчик подключить между 2-ой и 3-ей ножкой микросхемы, ну это уже другой способ измерения?).
Извини надо бежать, приду дальше опишу...
Пожалуйста Войти или Регистрация, чтобы присоединиться к беседе.
- Max
-
Автор темы
- Не в сети
Less
Больше
- Сообщений: 38
- Спасибо получено: 0
25 фев 2012 09:09 #77
от Max
Max ответил в теме Re: Как сделать усилитель напряжения из операционного
Извиняюсь но на сколько я знаю, милливольтметр нужен с очень высоким входным сопротивлением, т.к. измеряемый от электрода ток в микроамперах
Пожалуйста Войти или Регистрация, чтобы присоединиться к беседе.
- Вячеслав
-
- Не в сети
Less
Больше
- Сообщений: 1245
- Спасибо получено: 31
25 фев 2012 10:02 #78
от Вячеслав
Вячеслав ответил в теме Как сделать усилитель напряжения из операционного
Сейчас и китайские меряют милиАмперы. От одной батарейки измерь ток через электрод, и если не трудно от двух последовательно или трёх последовательно, нужно определить каким опорным напряжением будем пользоваться.
Пожалуйста Войти или Регистрация, чтобы присоединиться к беседе.
- Вячеслав
-
- Не в сети
Less
Больше
- Сообщений: 1245
- Спасибо получено: 31
25 фев 2012 13:16 #79
от Вячеслав
Вячеслав ответил в теме Re: Как сделать усилитель напряжения из операционного
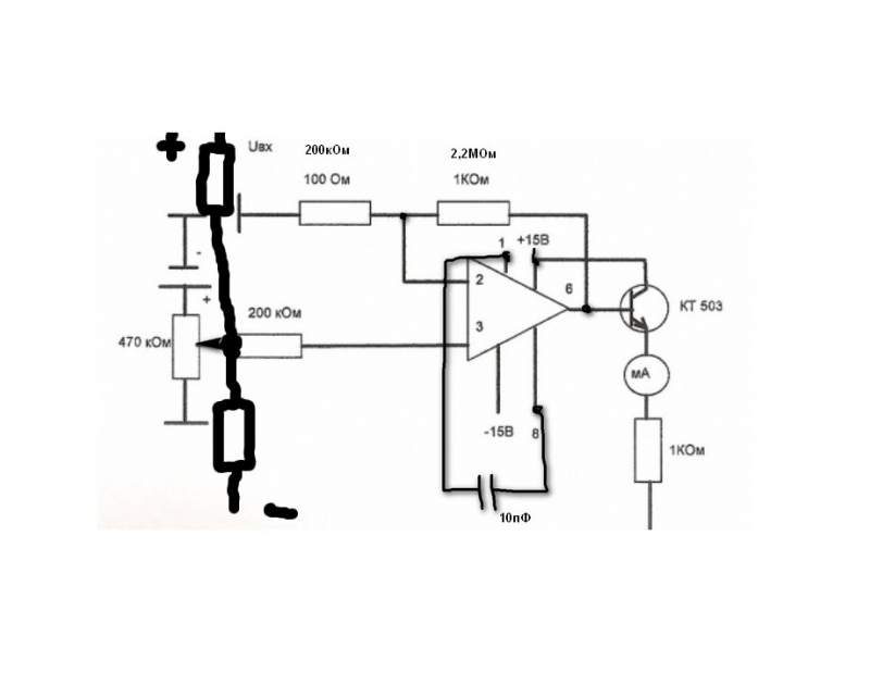
Вложения:
Пожалуйста Войти или Регистрация, чтобы присоединиться к беседе.
- Alexander Kobets
-
- Не в сети
Less
Больше
- Сообщений: 294
- Спасибо получено: 6
25 фев 2012 13:37 - 25 фев 2012 13:41 #80
от Alexander Kobets
Я потому и советовал именно цифровой, потому что у них достаточно высокие характеристики.
Alexander Kobets ответил в теме Re: Как сделать усилитель напряжения из операционного
Ты путаешь две разные вещи - напряжение и ток. У тестера высокое входное сопротивление при измерении напряжения, и почти нулевое сопротивление при измерении тока.ironmax68 пишет: Извиняюсь но на сколько я знаю, милливольтметр нужен с очень высоким входным сопротивлением, т.к. измеряемый от электрода ток в микроамперах
Я потому и советовал именно цифровой, потому что у них достаточно высокие характеристики.
Последнее редактирование: 25 фев 2012 13:41 пользователем Alexander Kobets.
Пожалуйста Войти или Регистрация, чтобы присоединиться к беседе.
Модераторы: Doc