- Сообщений: 2505
- Спасибо получено: 78
Глубинный металлоискатель (металлодетектор)... возможен ли?
- Rrenovatio
-
Автор темы
- Не в сети
Less
Больше
12 июнь 2011 20:46 - 12 июнь 2011 21:23 #41
от Rrenovatio
Rrenovatio ответил в теме Глубинный металлоискатель (металлодетектор)... возможен ли?
Тут: смотри!
http://www.radio-portal.ru/distribution/download/file.php?id=1978
http://www.radio-portal.ru/distribution/download/file.php?id=1978
Вложения:
Последнее редактирование: 12 июнь 2011 21:23 пользователем Rrenovatio.
Пожалуйста Войти или Регистрация, чтобы присоединиться к беседе.
- Rrenovatio
-
Автор темы
- Не в сети
Less
Больше
- Сообщений: 2505
- Спасибо получено: 78
12 июнь 2011 20:52 #42
от Rrenovatio
Rrenovatio ответил в теме Глубинный металлоискатель (металлодетектор)... возможен ли?
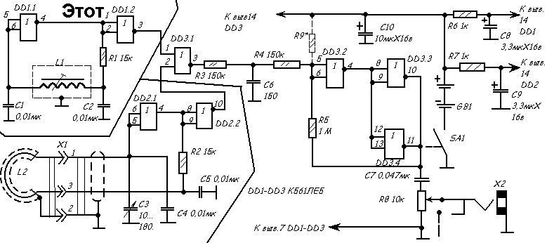
На своей игрушке я бы попробовал заменить генератор с поисковой катушкой...
которая обведена внизу!
а так всё бы оставил на своих местах!!!
хотя ещё не знаю .... а нужно ли...???
не трогай технику она не подведёт!!!
у моего DD1.1 DD1.2 DD1.3 (три каскада усиления...)
чуйка должно быть выше... хотя не знаю...
кто что думает??? :think:
которая обведена внизу!
а так всё бы оставил на своих местах!!!
хотя ещё не знаю .... а нужно ли...???
не трогай технику она не подведёт!!!
у моего DD1.1 DD1.2 DD1.3 (три каскада усиления...)
чуйка должно быть выше... хотя не знаю...
кто что думает??? :think:
Пожалуйста Войти или Регистрация, чтобы присоединиться к беседе.
- Алексей
-
- Не в сети
13 июнь 2011 07:07 #43
от Алексей
Алексей ответил в теме Глубинный металлоискатель (металлодетектор)... возможен ли?
Понятно, но только есть одна проблема
"Частота колебаний образцоваго генератора, определяемая данными его контурной катушки L1 и конденсаторов С1 и С2, около 100кГц"
кварцовый резонатор если я правильно понял есть на 0,1 МГц?
"Частота колебаний образцоваго генератора, определяемая данными его контурной катушки L1 и конденсаторов С1 и С2, около 100кГц"
кварцовый резонатор если я правильно понял есть на 0,1 МГц?
Пожалуйста Войти или Регистрация, чтобы присоединиться к беседе.
- Rrenovatio
-
Автор темы
- Не в сети
Less
Больше
- Сообщений: 2505
- Спасибо получено: 78
13 июнь 2011 09:38 - 13 июнь 2011 09:40 #44
от Rrenovatio
Rrenovatio ответил в теме Глубинный металлоискатель (металлодетектор)... возможен ли?
точно так, ставишь кварц на 100 кГц и вперёд,... а так смотри сам...
или меняешь конденсаторы С4 и С5 на 100 пф ставишь... и так выйдешь на частоту в 1 МГц...
это как конструктор!!! хочешь так, а хочешь так...
здесь другое интересно... на какой частоте данный девайс лучше работает!
на 100 кГц или на 1000 кГц (1 мГц) - вот?
вобщим собирай, а потом опишешь его реальные характеристики!!!
думаю всем будет интересно!!!
всё равно есть - С3 которым можно гулять по частотам тудой или сюдой!... :whistle:
или меняешь конденсаторы С4 и С5 на 100 пф ставишь... и так выйдешь на частоту в 1 МГц...
это как конструктор!!! хочешь так, а хочешь так...
здесь другое интересно... на какой частоте данный девайс лучше работает!
на 100 кГц или на 1000 кГц (1 мГц) - вот?
вобщим собирай, а потом опишешь его реальные характеристики!!!
думаю всем будет интересно!!!
всё равно есть - С3 которым можно гулять по частотам тудой или сюдой!... :whistle:
Последнее редактирование: 13 июнь 2011 09:40 пользователем Rrenovatio.
Пожалуйста Войти или Регистрация, чтобы присоединиться к беседе.
- Алексей
-
- Не в сети
13 июнь 2011 09:40 #45
от Алексей
Алексей ответил в теме Глубинный металлоискатель (металлодетектор)... возможен ли?
Заметано, только опробовать я его смогу не раньше следующих выходных
Пожалуйста Войти или Регистрация, чтобы присоединиться к беседе.
Модераторы: Doc