- Сообщений: 1116
- Спасибо получено: 46
проблема с ИК-светодиодами
- Николай Петрович
-
- Не в сети
Less
Больше
25 июнь 2015 17:22 - 25 июнь 2015 17:46 #21
от Николай Петрович
Николай Петрович ответил в теме проблема с ИК-светодиодами
Нет, 2я схема займёт напряжения гирлянды столько же как 3 св.диода. Т.е. из рабочей гирлянды изъять 3 св.диода и вместо их поставить схемку (вторую). При этом яркость св.диодов не изменится.
Ориентировался на Ваши данные по св.диодам.Напряжение синего - 2,7 В. Красного - 1,2 В. 1,2 + 1,2 = 2,4 В. МАЛО для работы синего + ещё 1,2 В. = 3,6 В. этого достаточно. Таким образом получилось изъять 3 св.диода.
1ю можно поставить последовательно с гирляндой (это другой вариант). Она потребляет несколько меньше напряжения гирлянды. Но яркость уменьшится, что можно компенсировать напряжением блока питания. При добавлении напряжения БП контролировать нужно ток гирлянды.
Ориентировался на Ваши данные по св.диодам.Напряжение синего - 2,7 В. Красного - 1,2 В. 1,2 + 1,2 = 2,4 В. МАЛО для работы синего + ещё 1,2 В. = 3,6 В. этого достаточно. Таким образом получилось изъять 3 св.диода.
1ю можно поставить последовательно с гирляндой (это другой вариант). Она потребляет несколько меньше напряжения гирлянды. Но яркость уменьшится, что можно компенсировать напряжением блока питания. При добавлении напряжения БП контролировать нужно ток гирлянды.
Последнее редактирование: 25 июнь 2015 17:46 пользователем Николай Петрович.
Пожалуйста Войти или Регистрация, чтобы присоединиться к беседе.
- Doc
-
- Не в сети
25 июнь 2015 18:38 - 25 июнь 2015 18:39 #22
от Doc
ток в последовательной цепи везде одинаков и где бы не выгорел диод. на базе он измениться очень резко, так как сопротивление ограничительного резистора на несколько порядков больше чем сопротивление диодов
да этот эффект не сработает если диоды пробьет - но это встречается очень редко да и Ваша схема это не покажет .
Малое знание опасно, впрочем, как и большое....
Doc ответил в теме проблема с ИК-светодиодами
а какая разница?Николай Петрович пишет: Так не получится, т.к. мы не знаем какой из св.диодов выгорит. До резистора базы или после... А вот взять белый, ярко-белый светодиод с током 50 мА и вынести его на лицевую панель - это можно.
ток в последовательной цепи везде одинаков и где бы не выгорел диод. на базе он измениться очень резко, так как сопротивление ограничительного резистора на несколько порядков больше чем сопротивление диодов
да этот эффект не сработает если диоды пробьет - но это встречается очень редко да и Ваша схема это не покажет .
Малое знание опасно, впрочем, как и большое....
Последнее редактирование: 25 июнь 2015 18:39 пользователем Doc.
Пожалуйста Войти или Регистрация, чтобы присоединиться к беседе.
- Николай Петрович
-
- Не в сети
Less
Больше
- Сообщений: 1116
- Спасибо получено: 46
25 июнь 2015 22:12 - 25 июнь 2015 23:12 #23
от Николай Петрович
Николай Петрович ответил в теме проблема с ИК-светодиодами
Скорее всего, чего то не понял в объяснении схемы. Не могли бы Вы начертить её.
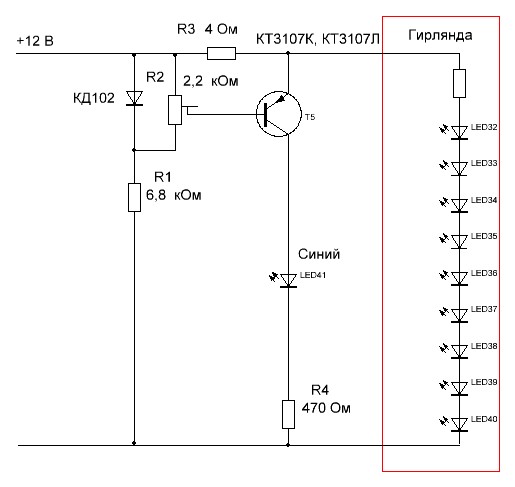
Предлагаю схему в которой контрольный св.диод зажигается при выгорании красного св.диода. Схема рассчитана на 9 св.диодов питающихся от 12 В. Преимущества - схема не "съедает" напряжение гирлянды и контрольный св.диод зажигается только в режиме авария. Недостатки - при выгорании БП или резистора R1 ничего не зажжётся.
Рекомендации по наладке. Прежде нужно проверить действительно ли в гирлянде стоит резистор 24 Ом, ну или немного более чем 24. Так же, при включённой гирлянде измерить напряжение на нижнем выводе резистора R1. Оно должно быть не много менее или равно 10,8 В. Далее, не впаивая резистор R2, Установить резистором R5 на катоде стабилитрона напряжение +8,5 В. 8,5 В.+ напряжение синего 2,7 В = 11,2 В. Это больше чем 10,8 В. при работающей гирлянде. Следовательно ток по синему св.диоду не пойдёт и светиться он не будет. Впаять R2.
При выгорании красного св.диода или разрыве цепи св.диодов. напряжение +12 В. приложится через резисторы R1,R2 к синему и он станет светиться. Т.к. 12 В. больше чем 11,2 В. Резисторы R1,R2 ограничат ток св.диода около 20 мА.
Что не понятно или не так - спрашивайте.
Предлагаю схему в которой контрольный св.диод зажигается при выгорании красного св.диода. Схема рассчитана на 9 св.диодов питающихся от 12 В. Преимущества - схема не "съедает" напряжение гирлянды и контрольный св.диод зажигается только в режиме авария. Недостатки - при выгорании БП или резистора R1 ничего не зажжётся.
Рекомендации по наладке. Прежде нужно проверить действительно ли в гирлянде стоит резистор 24 Ом, ну или немного более чем 24. Так же, при включённой гирлянде измерить напряжение на нижнем выводе резистора R1. Оно должно быть не много менее или равно 10,8 В. Далее, не впаивая резистор R2, Установить резистором R5 на катоде стабилитрона напряжение +8,5 В. 8,5 В.+ напряжение синего 2,7 В = 11,2 В. Это больше чем 10,8 В. при работающей гирлянде. Следовательно ток по синему св.диоду не пойдёт и светиться он не будет. Впаять R2.
При выгорании красного св.диода или разрыве цепи св.диодов. напряжение +12 В. приложится через резисторы R1,R2 к синему и он станет светиться. Т.к. 12 В. больше чем 11,2 В. Резисторы R1,R2 ограничат ток св.диода около 20 мА.
Что не понятно или не так - спрашивайте.
Вложения:
Последнее редактирование: 25 июнь 2015 23:12 пользователем Николай Петрович.
Пожалуйста Войти или Регистрация, чтобы присоединиться к беседе.
- Николай Петрович
-
- Не в сети
Less
Больше
- Сообщений: 1116
- Спасибо получено: 46
27 июнь 2015 08:21 - 27 июнь 2015 08:24 #24
от Николай Петрович
Николай Петрович ответил в теме проблема с ИК-светодиодами
Вложения:
Последнее редактирование: 27 июнь 2015 08:24 пользователем Николай Петрович.
Пожалуйста Войти или Регистрация, чтобы присоединиться к беседе.
- Денис
-
Автор темы
- Не в сети
Less
Больше
- Сообщений: 46
- Спасибо получено: 0
29 июнь 2015 09:57 #25
от Денис
Денис ответил в теме проблема с ИК-светодиодами
Спасибо. Извините, что молчал, не было интернета. Сейчас съезжу, куплю детали, соберу схему, сообщу. Не понял по поводу резистора R2 в последней схеме. Куда подключается транзистор, до или после? Или это что то другое?
Пожалуйста Войти или Регистрация, чтобы присоединиться к беседе.
Модераторы: Doc