- Сообщений: 164
- Спасибо получено: 2
Индукционная печь - рабчая-ли схема?
- Алексей
-
Автор темы
- Не в сети
Less
Больше
01 апр 2012 16:51 - 01 апр 2012 17:12 #36
от Алексей
Rrnovatio, там нет никаких ключей, и не просматриваются проводки (замазано поглотителем газа), и выводы расположены звёздочкой - нить накала два луча нижних.
Я как советовал ИЛЬЯ, подал напряжение смещения и ещё заменил сопротивление 3М на 100к - генерация началась, индикатор подключенный к нескольким виткам куска провода засветился - но катушка ничего не греет.
Пробовал "смещение" подать с катода - тоже работает. Если совсем неоткуда не подавать - не работает.
Ток анода замерить не удаётся - тестер глючит. Даже не подключенный, лежащий рядом, сам включает подсветку и показывает ток 19А!
Подключил лампу накаливания 220V 100W в анодную цепь - не горит и даже не греется - это значит там нет и 100мА.
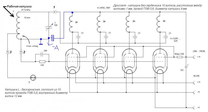
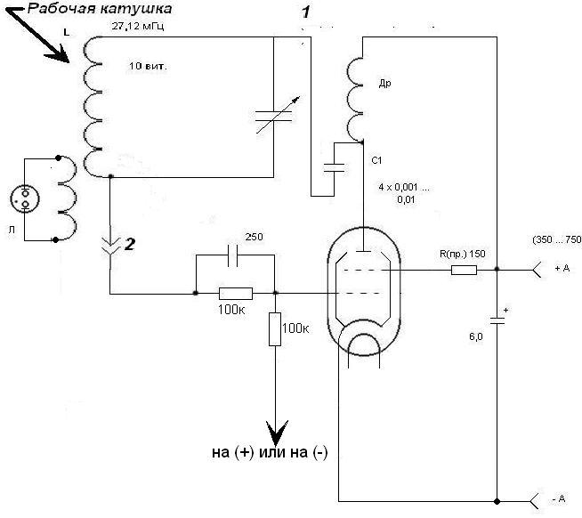
Вот нарисовал как получается - упрощённая схема без трёх ламп:
Я когда создавал эту тему, облазил весь интернет, нашел штук пять отрицательных отзывов и один положительный - якобы собирали, пользовались, разобрали за ненадобностью. А в основном смеются над схемой - "Агрегат для зажигания неоновой лампочки".
Алексей ответил в теме Re: Индукционная печь - рабчая-ли схема?
Благодарю ИЛЬЯ, значит я правильно собрал.ИЛЬЯ пишет: надо смотреть со стороны ног, так-же как и у микросхем
Rrnovatio, там нет никаких ключей, и не просматриваются проводки (замазано поглотителем газа), и выводы расположены звёздочкой - нить накала два луча нижних.
Я как советовал ИЛЬЯ, подал напряжение смещения и ещё заменил сопротивление 3М на 100к - генерация началась, индикатор подключенный к нескольким виткам куска провода засветился - но катушка ничего не греет.
Пробовал "смещение" подать с катода - тоже работает. Если совсем неоткуда не подавать - не работает.
Ток анода замерить не удаётся - тестер глючит. Даже не подключенный, лежащий рядом, сам включает подсветку и показывает ток 19А!
Подключил лампу накаливания 220V 100W в анодную цепь - не горит и даже не греется - это значит там нет и 100мА.
Вот нарисовал как получается - упрощённая схема без трёх ламп:
Я когда создавал эту тему, облазил весь интернет, нашел штук пять отрицательных отзывов и один положительный - якобы собирали, пользовались, разобрали за ненадобностью. А в основном смеются над схемой - "Агрегат для зажигания неоновой лампочки".
Вложения:
Последнее редактирование: 01 апр 2012 17:12 пользователем Алексей.
Пожалуйста Войти или Регистрация, чтобы присоединиться к беседе.
- ИЛЬЯ
-
- Не в сети
Less
Больше
- Сообщений: 516
- Спасибо получено: 11
01 апр 2012 17:50 - 01 апр 2012 18:01 #37
от ИЛЬЯ
ИЛЬЯ ответил в теме Индукционная печь - рабчая-ли схема?
РАД ПОМОЧЬ у самого сейчас, пока практикой заниматся возможности нет, :sick: живу в съемной комнате. вот и смотрю на вас, "облизываюсь". а как лампы на фото увидел, так вообще глаза загорелись :woohoo:
поставь еще блокировочный кондер между катодами и холодными концами дросселей(+питания) емкостью несколько десятков тысяч пикофарад. керамический или людяной. только делай как можно более коротким путем.
если зделал как в первой схеме показано, неонку лучше убери. лучше её через катушку связи, как в последней схеме показано
поставь еще блокировочный кондер между катодами и холодными концами дросселей(+питания) емкостью несколько десятков тысяч пикофарад. керамический или людяной. только делай как можно более коротким путем.
если зделал как в первой схеме показано, неонку лучше убери. лучше её через катушку связи, как в последней схеме показано
Последнее редактирование: 01 апр 2012 18:01 пользователем ИЛЬЯ.
Пожалуйста Войти или Регистрация, чтобы присоединиться к беседе.
- ИЛЬЯ
-
- Не в сети
Less
Больше
- Сообщений: 516
- Спасибо получено: 11
01 апр 2012 18:12 #38
от ИЛЬЯ
ИЛЬЯ ответил в теме Re: Индукционная печь - рабчая-ли схема?
Вложения:
Пожалуйста Войти или Регистрация, чтобы присоединиться к беседе.
- Rrenovatio
-
- Не в сети
Less
Больше
- Сообщений: 2505
- Спасибо получено: 78
01 апр 2012 18:29 - 01 апр 2012 18:30 #39
от Rrenovatio
Rrenovatio ответил в теме Индукционная печь - рабчая-ли схема?
Вложения:
Последнее редактирование: 01 апр 2012 18:30 пользователем Rrenovatio.
Пожалуйста Войти или Регистрация, чтобы присоединиться к беседе.
- Rrenovatio
-
- Не в сети
Less
Больше
- Сообщений: 2505
- Спасибо получено: 78
01 апр 2012 18:40 #40
от Rrenovatio
Rrenovatio ответил в теме Индукционная печь - рабчая-ли схема?
эти кирогазы, точно рабочие... :silly:
когда то давно собирал, если не изменяет память один виток провода вокруг катушки зажигал не неоновую, а обычную лампу на 220 вольт! :pinch:
переменный конденсатор - между пластинами искры летели на максимуме!!!
и твой рабочий, точно... просто что то пошло не так...
у меня была 6п3с (всего одна) а у тебя четыре, представляешь какая там моща должна быть! питал я правда свой кирогаз, со старого мощного приёмника на лампах, их там было штук 8, а трансформатор питающий был мощный! как в старых ламповых телевизорах...
попробуй потыкать подругому, суть главное та же... :evil:
может питания мало мощи... надо экспериментировать!
у меня запустился сразу!!!
слышно было фиг знает где.... там где я шумел, рядом ни одной радиостанции небыло!!! всё нах глушил!
но у меня антенна была - бомба!!! через весь огород!!!
когда то давно собирал, если не изменяет память один виток провода вокруг катушки зажигал не неоновую, а обычную лампу на 220 вольт! :pinch:
переменный конденсатор - между пластинами искры летели на максимуме!!!
и твой рабочий, точно... просто что то пошло не так...
у меня была 6п3с (всего одна) а у тебя четыре, представляешь какая там моща должна быть! питал я правда свой кирогаз, со старого мощного приёмника на лампах, их там было штук 8, а трансформатор питающий был мощный! как в старых ламповых телевизорах...
попробуй потыкать подругому, суть главное та же... :evil:
может питания мало мощи... надо экспериментировать!
у меня запустился сразу!!!
слышно было фиг знает где.... там где я шумел, рядом ни одной радиостанции небыло!!! всё нах глушил!
но у меня антенна была - бомба!!! через весь огород!!!
Пожалуйста Войти или Регистрация, чтобы присоединиться к беседе.
Модераторы: Doc