Индукционная печь - рабчая-ли схема?

Больше
02 апр 2012 12:12 - 02 апр 2012 12:13 #51 от Алексей
Алексей ответил в теме Индукционная печь - рабчая-ли схема?
Не греется ни сколько рабочая катушка и думаю не будет греться когда полноценно заработает. Ели только охлаждение нужно чтоб от разогреваемого предмета она не перегрелась.

Кирогаз без антенны тоже хочется попробовать, но пока буду ждать что скажет ИЛЬЯ.
Последнее редактирование: 02 апр 2012 12:13 пользователем Алексей.

Пожалуйста Войти или Регистрация, чтобы присоединиться к беседе.

Больше
02 апр 2012 14:09 - 02 апр 2012 14:20 #52 от Rrenovatio
Ждём ИЛЬЮ...
вот индуктор для индукционной печи Термолит!!!
здоровый какой!!!




всё равно я б толстым на мотал...




а греется... ты прав наверное от самого металла!!! :dry:

и вот:




разные...


Последнее редактирование: 02 апр 2012 14:20 пользователем Rrenovatio.

Пожалуйста Войти или Регистрация, чтобы присоединиться к беседе.

Больше
02 апр 2012 20:05 #53 от ИЛЬЯ

Zistor пишет: Переменник вначале большой металлический был подключён, затем перекинул провода на керамический - его видно на последнем фото - больше мощности стало в последнем случае.

Непонимаю как сможет работать с корпусом соединённым на шасси - шасси массивное у меня, изолированное от всех проводников. Я даже вал переменника изолировал от пластин использовав стеклоткань с эбоксидкой - получился переменник с полностью изолированным корпусом, ток снимается припаянным к подвижным модулям гибким проводом. Этим я хотел уменьшить излучение помех и потерю мощности.

Ведь если (как было в начале) ряд подвижных пластин контачит с корпусом, а корпус контачит с шасси, то шасси надо соединять с полюсом источника питания?
Если шасси соединить к отрицательному, то управляющая сетка соединится с катодом через связку 250пФ_3М - Такого нет в схеме.

Наверное на самом деле второй конец контура должен сидеть на минусе - ошибка в чертеже схемы. Только вот откуда брать тогда управление сеткой? -Может с середины катушки?

если корпус переменника в воздухе висит, этим ты только усилиш помехи(излучения). корпус экранирует неподвижные пластины. зря ты шасси изолировал. чтоб оно выполняло роль экрана, его надо соеденить с точкой на схеме, имеющей постоянный потенциал(не совсем корректно выразился) обычно его с минусом питания соеденяют.
скорее всего миллиамперметр ерунду у тебя показывал.
сейчас графически изображу

Пожалуйста Войти или Регистрация, чтобы присоединиться к беседе.

Больше
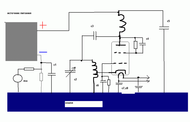
02 апр 2012 20:28 - 02 апр 2012 20:44 #54 от ИЛЬЯ

как видиш большинство соеденений заканчивается на шасси, минус питания. это и есть точка с постоянным потенциалом.
все соеденения должны быть предельно короткими, это первое правило в ВЧ конструировании.
все кондеры, за исключением переменника, керамические или слюдяные.
как видиш сетка по переменной составляющей заземлена.
в прочем можно заземлить анод, по переменному току. для этого один конец кондера с3 на землю, а с6 на контур (просто меняеш их местами).
вообще на этих частотах, лучше работает емкостная трехточка, сейчас изображена индуктивная.
что бы сделать емкостную трехточку, просто используем в место отвода емкостный делитель.
Вложения:
Последнее редактирование: 02 апр 2012 20:44 пользователем ИЛЬЯ.

Пожалуйста Войти или Регистрация, чтобы присоединиться к беседе.

Больше
03 апр 2012 10:53 - 03 апр 2012 10:53 #55 от Алексей
Алексей ответил в теме Индукционная печь - рабчая-ли схема?
Благодарю Илья, теперь всё понятно. Выходит правильный ответ на вопрос темы - Схема не рабочая! Потому что в схеме не хватает значка заземления или проводника-соединителя с отрицательным полюсом источника нижней части контура. Ну и всё-таки с такими ВЧ-схемами автору надо-бы прилагать чертежи с изображением размещения деталей и соединений.

Попробовал соединить проводками всё что нужно на минус - генерация есть - неонка светится, но металл не греется.

Попробовал соединить первую сетку на минус - ожидал просто полного закрытия ламп. Но произошло удивительное! Неонка засветилась очень ярко, сетки в лампах тоже засветились, но металл не греется. Это явление противоречит всему что я знаю о лампах - ведь минус на сетку это команда закрыться. Знаю как происходит это на микроуровне. Сейчас открыл старою книгу и перечитал это. Я воще в шоке :S .
Последнее редактирование: 03 апр 2012 10:53 пользователем Алексей.

Пожалуйста Войти или Регистрация, чтобы присоединиться к беседе.

Модераторы: Doc
Вся информация, предоставленная на данном ресурсе разрешена к ознакомлению детям школьного возраста. Все практическое использование может быть связана с повышенной электрической опасностью и разрешено детям только под присмотром взрослых.