Подскажите схему басового комбо

Больше
19 июнь 2010 18:38 #26 от Smoker

Alchimik пишет: хм...а никто случаем не знает в чем может быть дело? (Микруха оказалась из мастер кита)
Когда включал то динамик гудел и звука никакого не выдавал, оказалось дело в кондере одном он отходил, допаял, но до сих пор ничего нету, ни звука ничего, хотя по схеме правильно подключаю, кондеры эл-литы полярность проверил, зеленый диод горит (но слабовато)...по виду микросхема сама не спалена, как можно определить если это она?
могу выложить фотки спаяной платы.

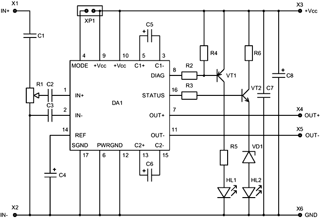
Лучше схему выложи, нужно копать mode select и status I/O какие на этих ногах напряжения?

Пожалуйста Войти или Регистрация, чтобы присоединиться к беседе.

Больше
19 июнь 2010 18:43 - 19 июнь 2010 19:17 #27 от Алексей
Алексей ответил в теме Подскажите схему басового комбо
выкладываю схему от мастера кита, только я забыл кое что добавить у меня отсутствуют резисторы R5 R6, но если я правильно понял это влияет только на транзюку и светик красный от перегрева..
Вложения:
Последнее редактирование: 19 июнь 2010 19:17 пользователем Алексей.

Пожалуйста Войти или Регистрация, чтобы присоединиться к беседе.

Больше
19 июнь 2010 18:54 #28 от Алексей
Алексей ответил в теме Подскажите схему басового комбо
измерил, если верить даташиту то это 16 и 4 нога, при подаче питания 11.40 вольт (по мультимеру), выдает напряжение 1.80 вольт

Пожалуйста Войти или Регистрация, чтобы присоединиться к беседе.

Больше
19 июнь 2010 19:17 #29 от Smoker
А XP1 ты перемычкой перемкнул? Если нет то он находится в режиме standby. К ХР1 по идее выключатель должен подключаться для включения усилителя. Или схема которая выдает три напряжения : низкое - выключен, половина питания - MUTE , напряжение питания - включен, нормальная работа. Это все о 4 ноге, 16 - ни при чем оказывается.

Пожалуйста Войти или Регистрация, чтобы присоединиться к беседе.

Больше
19 июнь 2010 19:38 - 20 июнь 2010 09:41 #30 от Алексей
Алексей ответил в теме Подскажите схему басового комбо
да перемкнул, поставил переключатель и врубал вырубал, диод зел реагировал, но звука нету, надеюсьмикруха не накрылась все таки?
Последнее редактирование: 20 июнь 2010 09:41 пользователем Алексей.

Пожалуйста Войти или Регистрация, чтобы присоединиться к беседе.

Модераторы: Doc
Вся информация, предоставленная на данном ресурсе разрешена к ознакомлению детям школьного возраста. Все практическое использование может быть связана с повышенной электрической опасностью и разрешено детям только под присмотром взрослых.