- Сообщений: 2505
- Спасибо получено: 78
"Чистая синусоида"
- Rrenovatio
-
Автор темы
- Не в сети
Less
Больше
09 дек 2010 09:28 #16
от Rrenovatio
Rrenovatio ответил в теме "Чистая синусоида"
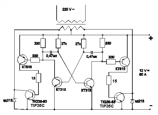
Напомню схему...
+ к ней хочу добавить выходной каскад со схемки выше...
там вроде как есть синусоида......
+ к ней хочу добавить выходной каскад со схемки выше...
там вроде как есть синусоида......
Вложения:
Пожалуйста Войти или Регистрация, чтобы присоединиться к беседе.
- Smoker
-
- Не в сети
Less
Больше
- Сообщений: 825
- Спасибо получено: 2
09 дек 2010 21:03 #17
от Smoker
Smoker ответил в теме "Чистая синусоида"
Ну ты даешь
60 вт лампочка 6 ампер . А что хотел? 6х12=72 вт . Итого у тебя впустую всего 12 вт рассеивается. При холостом ходе 36 вт, реально схема очень простая и не имеет стабилизации . В сложных схемах или на специальных микрухах, при достижении номинального напряжения ограничивается либо ширина управляющих импульсов либо ограничивается амплитуда тока через управляющий транзистор (транзистор искуственно запирается). У тебя этого ничего нет, а сопротивление первичной обмотки пару ом или пару десятых ома. Для тех целей что ты анонсировал, холостой ток не нужен. Нужно реле, которое будет переключать с 220 на инвертор и другое которое подключит аккумулятор. Насчет конденсатора, на выходе инвертора будут гармоники и сигнал далекий от синусоиды. Гармоники давятся конденсатором, типа закорачиваются а это тоже мощность. Так что я думаю что все нормально. Конденсатор нужно подбирать не чем больше - тем лучше, а чтобы вторичная обмотка транса с кондером контур образовывала на 50 гц. Если есть осциллограф, то можно через делитель форму посмотреть сигнала и по ней подбирать, начиная с 0.1 мкф. Но 10 по любому много, подключи к сети 220 через амперметр и удивись сколько тока через него пройдет. И еще в данной схеме (и в той что я прилепил) нет мертвого времени, т.е. какое-то время ток может течь в обоих плечах одновременно и навстречу друг другу (пока носители в базе одного из транзисторов не рассосутся) а это тоже мощность и не маленькая. И ИБП и инверторах обычно это время присутствует, но они сложнее. У тебя КПД где-то 85% для такой простой схемы это нормально, даже очень хорошо.
Пожалуйста Войти или Регистрация, чтобы присоединиться к беседе.
- Smoker
-
- Не в сети
Less
Больше
- Сообщений: 825
- Спасибо получено: 2
09 дек 2010 21:05 #18
от Smoker
Smoker ответил в теме "Чистая синусоида"
15 и 30 ом, что-то не пойму о чем речь .
Пожалуйста Войти или Регистрация, чтобы присоединиться к беседе.
- Rrenovatio
-
Автор темы
- Не в сети
Less
Больше
- Сообщений: 2505
- Спасибо получено: 78
09 дек 2010 22:14 #19
от Rrenovatio
Rrenovatio ответил в теме "Чистая синусоида"
15 и 30 ом, что-то не пойму о чем речь .
смотри схему! между коллектором кт816 и базой кт805(я пока 805 поставил),
ТК235-63 уже ретро,... вместо их пока не определился...
хотя и 805 тянут... можно будет по второму в параллель завязать!
может моща появится и не будет такой посадки по напряжению!!!
или же домотать транс на 40 вольт больше,.. 260 вольт получится...
и при подключении такой нагрузки напряжение упадёт на 40 - 50 вольт
и составит на выходе примерно 220 вольт!
Как думаешь???
у моторчика 55 вт.(первая скорость), и я рассчитываю пока на лампу в 60 вт.
а там как получится...
а резисторы может стоит заменить не 15 и 30 ом...
а 15 и 15 ом или 30 и 30 ом,.. что бы оба плеча работали симметрично друг друга!...
более мощный транс, ситуацию не исправил... всё то же самое...
думаю что более мощные транзисторы или в параллель - выход из положения...
пока это ограничение наверное зависит от транзисторов...
ну не могут они большей мощности отдать... ну не могут!
смотри схему! между коллектором кт816 и базой кт805(я пока 805 поставил),
ТК235-63 уже ретро,... вместо их пока не определился...
хотя и 805 тянут... можно будет по второму в параллель завязать!
может моща появится и не будет такой посадки по напряжению!!!
или же домотать транс на 40 вольт больше,.. 260 вольт получится...
и при подключении такой нагрузки напряжение упадёт на 40 - 50 вольт
и составит на выходе примерно 220 вольт!
Как думаешь???
у моторчика 55 вт.(первая скорость), и я рассчитываю пока на лампу в 60 вт.
а там как получится...
а резисторы может стоит заменить не 15 и 30 ом...
а 15 и 15 ом или 30 и 30 ом,.. что бы оба плеча работали симметрично друг друга!...
более мощный транс, ситуацию не исправил... всё то же самое...
думаю что более мощные транзисторы или в параллель - выход из положения...
пока это ограничение наверное зависит от транзисторов...
ну не могут они большей мощности отдать... ну не могут!
Пожалуйста Войти или Регистрация, чтобы присоединиться к беседе.
- Rrenovatio
-
Автор темы
- Не в сети
Less
Больше
- Сообщений: 2505
- Спасибо получено: 78
09 дек 2010 22:41 #20
от Rrenovatio
Rrenovatio ответил в теме "Чистая синусоида"
вот нарыл...
хотя первый раз такой вижу...
посмотреть бы на него в реале!
хотя первый раз такой вижу...
посмотреть бы на него в реале!
Вложения:
Пожалуйста Войти или Регистрация, чтобы присоединиться к беседе.
Модераторы: Doc