- Сообщений: 1116
- Спасибо получено: 46
Автоматическое включение вентилятора
- Николай Петрович
-
- Не в сети
Less
Больше
09 апр 2014 10:47 - 09 апр 2014 22:32 #36
от Николай Петрович
Николай Петрович ответил в теме Автоматическое включение вентилятора
Ясно. Стас, думаю, что так заработает.
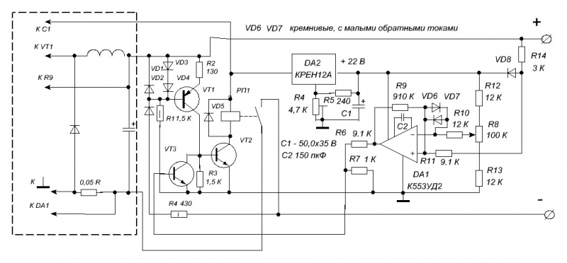
прим. Кренка может быть любая, главное 22 В. и чем точнее, тем лучше. Я поставлю К142ЕН2 (у меня их ещё штук 40. Но они уже ретро). А настраивать, кроме установки 22 В. больше нечего. Ну может быть уточнить некоторые резисторы R9 ,R12, R13 да и это, наверное, не обязательно.
прим. Кренка может быть любая, главное 22 В. и чем точнее, тем лучше. Я поставлю К142ЕН2 (у меня их ещё штук 40. Но они уже ретро). А настраивать, кроме установки 22 В. больше нечего. Ну может быть уточнить некоторые резисторы R9 ,R12, R13 да и это, наверное, не обязательно.
Вложения:
Последнее редактирование: 09 апр 2014 22:32 пользователем Николай Петрович.
Пожалуйста Войти или Регистрация, чтобы присоединиться к беседе.
- Николай Петрович
-
- Не в сети
Less
Больше
- Сообщений: 1116
- Спасибо получено: 46
10 апр 2014 09:18 - 10 апр 2014 13:20 #37
от Николай Петрович
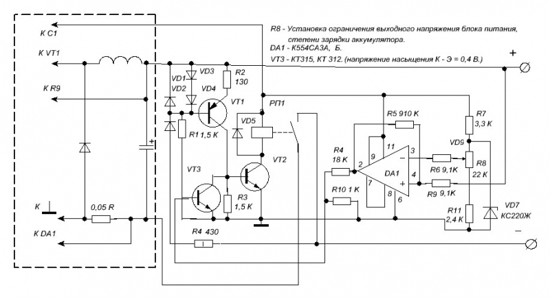
Говорят - "Дурная голова ногам покоя не даёт", а меня всего замучила. Всю ночь компараторы читал, и дочитался. Если по схеме #28 операционник заменить компаратором, схема будет проще. Не много потеряет в точности, но для наших целей пойдёт. Выбирай сам, что тебе ближе по душе.
Не уверен за R4, но если собрать будет видно какой нужен номинал.
Николай Петрович ответил в теме Автоматическое включение вентилятора
Говорят - "Дурная голова ногам покоя не даёт", а меня всего замучила. Всю ночь компараторы читал, и дочитался. Если по схеме #28 операционник заменить компаратором, схема будет проще. Не много потеряет в точности, но для наших целей пойдёт. Выбирай сам, что тебе ближе по душе.
Не уверен за R4, но если собрать будет видно какой нужен номинал.
Вложения:
Последнее редактирование: 10 апр 2014 13:20 пользователем Николай Петрович.
Пожалуйста Войти или Регистрация, чтобы присоединиться к беседе.
- Стас
-
Автор темы
- Не в сети
Less
Больше
- Сообщений: 394
- Спасибо получено: 29
10 апр 2014 18:20 #38
от Стас
Стас ответил в теме Автоматическое включение вентилятора
Вот и готов полностью блок питания. Нагрузку держит хорошо, автоматический обдув включается после установки тока больше 5А, до 5А не крутит, значит сильно не нагреваются выходные транзисторы. Сам корпус доработан от какого то маршрутизатора Contivity 600 Nortel networks:
Теперь это уже блок питания:
Подключил к нему палеогеновую фару от какой то иномарки:
Фара скушала 4.15А. Добавим ещё!
5.62А это уже неплохо, автоматический обдув включился примерно через минуту и радиатор немного нагрелся, но нагрузку держит нормально.
Вес этого блока получился 5.4 кг. Тяжеловато конечно, но там стоит обычный мощный трансформатор, он то и весит. Ну вот, теперь небольшой отдых и попробуем повторить предложенную защиту от Николая Петровича.
Теперь это уже блок питания:
Подключил к нему палеогеновую фару от какой то иномарки:
Фара скушала 4.15А. Добавим ещё!
5.62А это уже неплохо, автоматический обдув включился примерно через минуту и радиатор немного нагрелся, но нагрузку держит нормально.
Вес этого блока получился 5.4 кг. Тяжеловато конечно, но там стоит обычный мощный трансформатор, он то и весит. Ну вот, теперь небольшой отдых и попробуем повторить предложенную защиту от Николая Петровича.
Пожалуйста Войти или Регистрация, чтобы присоединиться к беседе.
- Николай Петрович
-
- Не в сети
Less
Больше
- Сообщений: 1116
- Спасибо получено: 46
11 апр 2014 03:11 - 11 апр 2014 03:27 #39
от Николай Петрович
Николай Петрович ответил в теме Автоматическое включение вентилятора
Стас, всё таки, нужно делать на компараторе. Вот смотрите: 554я это специализированная м.схема, специально для этого случая. По нагрузке работает % на 50 - 60. Правда она менее точная и более хлипкая. Но % загрузки! Она может сравнивать напряжения чуть ли не от нуля и в гораздо более широком диапазоне. Её точность должна нас устроить. Вздумает возбуждаться - задавим кондёрами.
553я работает на пределе своих возможностей, в необычном, для себя, режиме. Тем не менее, она то же может так работать. А сколько всяческих защит, значит лишних деталей!
С другой стороны, мне операционники знакомы, а на компараторе ничего не делал. Кроме ремонта да и то не этой серии. Но не я придумал схему её включения, значит должно всё быть нормально. Может быть придётся поменять местами 3й и 4й выводы. Не ясно по отношению к чему обозначение прямого и инверсного входа - у неё 2 выхода. то же прямой и инверсный.
Конечно, 2 В. маловато для транзисторов с таким включением, да ещё падение напряжения на R2 0,3 - 0,5 В. но будем надеяться на лучшее. В крайнем случае, можно поменять транзисторы на германиевые, высвободится ещё 0,4 - 0,5 В.
Эта, дурацкая, привычка - сомневаться во всём, из -за работы. Как находишь неисправность? Начинаешь сомневаться во всём и вся, значит проверять ту или иную деталь, часть схемы, и так находишь. Ладно, не обращай внимания.
553я работает на пределе своих возможностей, в необычном, для себя, режиме. Тем не менее, она то же может так работать. А сколько всяческих защит, значит лишних деталей!
С другой стороны, мне операционники знакомы, а на компараторе ничего не делал. Кроме ремонта да и то не этой серии. Но не я придумал схему её включения, значит должно всё быть нормально. Может быть придётся поменять местами 3й и 4й выводы. Не ясно по отношению к чему обозначение прямого и инверсного входа - у неё 2 выхода. то же прямой и инверсный.
Конечно, 2 В. маловато для транзисторов с таким включением, да ещё падение напряжения на R2 0,3 - 0,5 В. но будем надеяться на лучшее. В крайнем случае, можно поменять транзисторы на германиевые, высвободится ещё 0,4 - 0,5 В.
Эта, дурацкая, привычка - сомневаться во всём, из -за работы. Как находишь неисправность? Начинаешь сомневаться во всём и вся, значит проверять ту или иную деталь, часть схемы, и так находишь. Ладно, не обращай внимания.
Последнее редактирование: 11 апр 2014 03:27 пользователем Николай Петрович.
Пожалуйста Войти или Регистрация, чтобы присоединиться к беседе.
- Николай Петрович
-
- Не в сети
Less
Больше
- Сообщений: 1116
- Спасибо получено: 46
15 апр 2014 14:04 #40
от Николай Петрович
Николай Петрович ответил в теме Автоматическое включение вентилятора
Стас, что не получается?! Или раздумал делать?
Пожалуйста Войти или Регистрация, чтобы присоединиться к беседе.
Модераторы: Doc